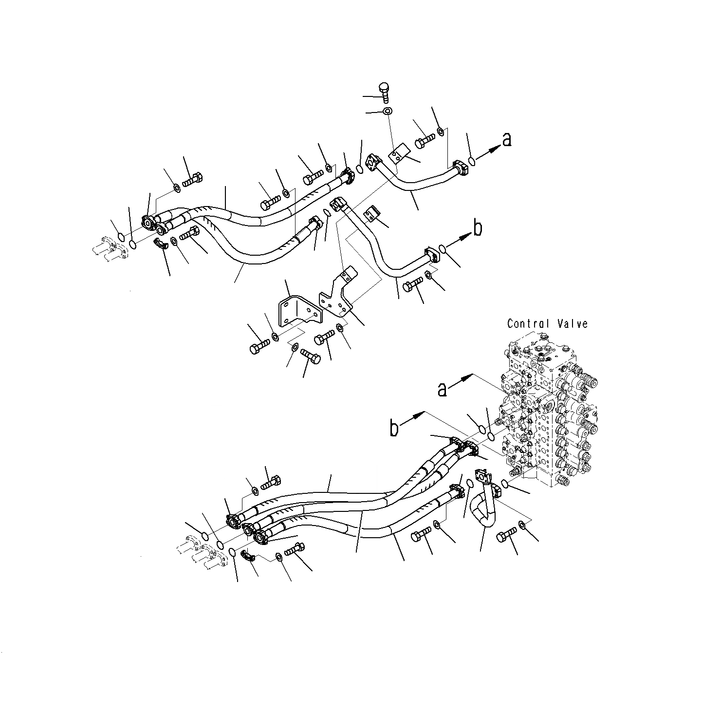
Запчасти Komatsu PC400LCSE-8R РУКОЯТЬ ЛИНИЯ КОВШАS (С ПРЕДОТВРАЩ. СМЕЩЕНИЯ) H

Схема запчастей Komatsu PC400LCSE-8R - РУКОЯТЬ ЛИНИЯ КОВШАS (С ПРЕДОТВРАЩ. СМЕЩЕНИЯ) H
37
26
25
38
8
24
11
9
15
10
16
6
36
5
23
14
24
13
7
39
13
4
28
30
3
29
27
12
20
34
2
19
33
35
41
40
32
31
22
18
14
29
21
14
4
28
27
3
18
22
13
14
6
20
17
1
5
19
12
28
27
29
13
FIT
1:1
100%

Артикул

Название

Примечание

Количество

1

208-62-71560

TUBE

2

208-62-72760

TUBE

3

07000-13035

O-RING

4

07371-31049

FLANGE

5

07372-21035

BOLT

6

01643-51032

WASHER

7

208-62-71580

TUBE

8

07000-13035

O-RING

9

07371-31049

FLANGE

10

07372-21035

BOLT

11

01643-51032

WASHER

12

208-62-71160

HOSE, 1320MM

13

07000-13032

O-RING

14

07371-31049

FLANGE

15

07372-21035

BOLT

16

01643-51032

WASHER

17

208-62-71190

HOSE, 1540MM

18

07000-13032

O-RING

19

07372-21040

BOLT

20

01643-51032

WASHER

21

207-62-71370

HOSE ASS'Y

22

07000-13032

O-RING

23

208-62-71170

HOSE, 1210MM

24

07000-13032

O-RING

25

07372-21040

BOLT

26

01643-51032

WASHER

27

07371-31049

FLANGE

28

07372-21035

BOLT

29

01643-51032

WASHER

30

208-62-76970

BRACKET

31

01010-81230

BOLT

32

175-54-34170

WASHER

33

01010-81240

BOLT

34

175-54-34170

WASHER

35

208-62-76940

BRACKET

36

207-62-31330

CLAMP

37

01010-81230

BOLT

38

01643-31232

WASHER

39

208-62-76910

CLAMP

40

01010-81250

BOLT

41

01643-31232

WASHER

Выбрано товаров: 41