Запчасти Komatsu PC400LCSE-8R НАВЕСНОЕ ОБОРУД-Е (АККУМУЛЯТОР) ( АКТУАТОР) H

Схема запчастей Komatsu PC400LCSE-8R - НАВЕСНОЕ ОБОРУД-Е (АККУМУЛЯТОР) ( АКТУАТОР) H
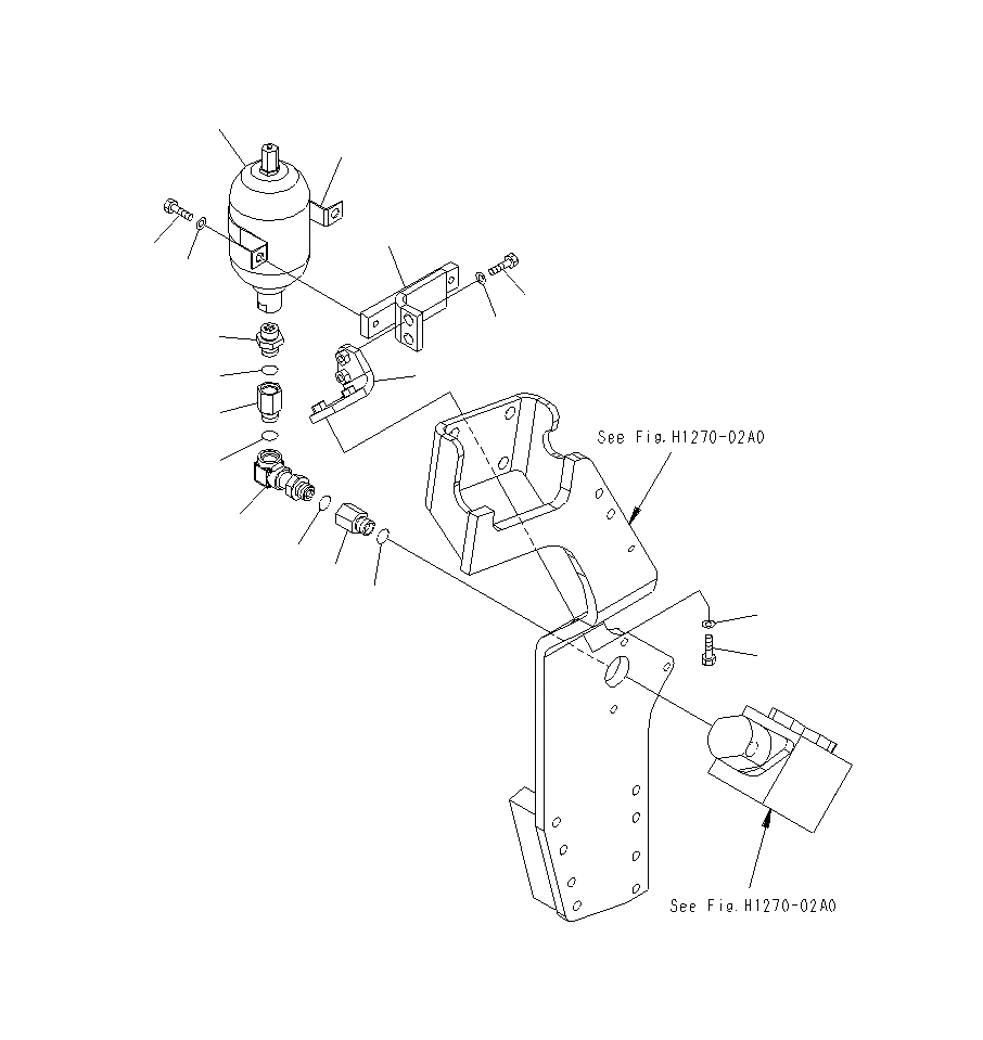
1
12
9
13
14
10
11
4
6
5
2
5
3
5
2
5
8
7
FIT
1:1
100%

Артикул

Название

Примечание

Количество

1

20Y-970-6451

ACCUMULATOR

|$2

20Y-970-6450

ACCUMULATOR

2

201-62-71810

JOINT

3

207-62-73350

ELBOW

4

205-970-5550

NIPPLE

5

07002-12434

O-RING

6

207-62-73251

BRACKET

7

01010-81250

BOLT

8

01643-31232

WASHER

9

207-62-73240

BRACKET

10

01010-81240

BOLT

11

01643-31232

WASHER

12

175-61-51750

PLATE

13

01010-81225

BOLT

14

01643-31232

WASHER

Выбрано товаров: 15