Запчасти Komatsu PC400LCSE-8R ЛИНИЯ ХОДА H

Схема запчастей Komatsu PC400LCSE-8R - ЛИНИЯ ХОДА H
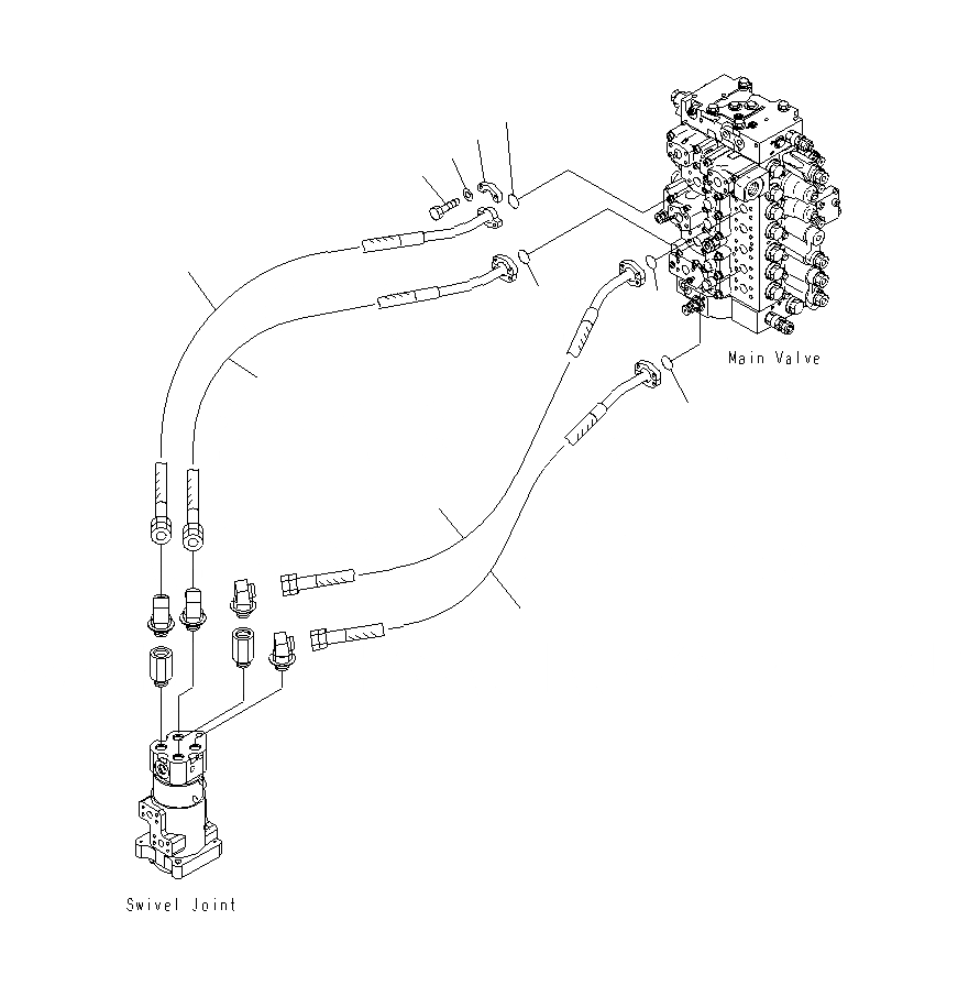
11
10
8
1
9
7
6
4
5
2
3
FIT
1:1
100%

Артикул

Название

Примечание

Количество

1

208-62-71120

HOSE, 1200MM

2

07000-13032

O RING

3

208-62-71130

HOSE, 1300MM

4

07000-13032

O RING

5

207-62-71440

HOSE, 1350MM

6

07000-13032

O RING

7

208-62-71150

HOSE, 1450MM

8

07000-13032

O RING

9

07371-31049

FLANGE

10

07372-21035

BOLT

11

01643-51032

WASHER

Выбрано товаров: 11