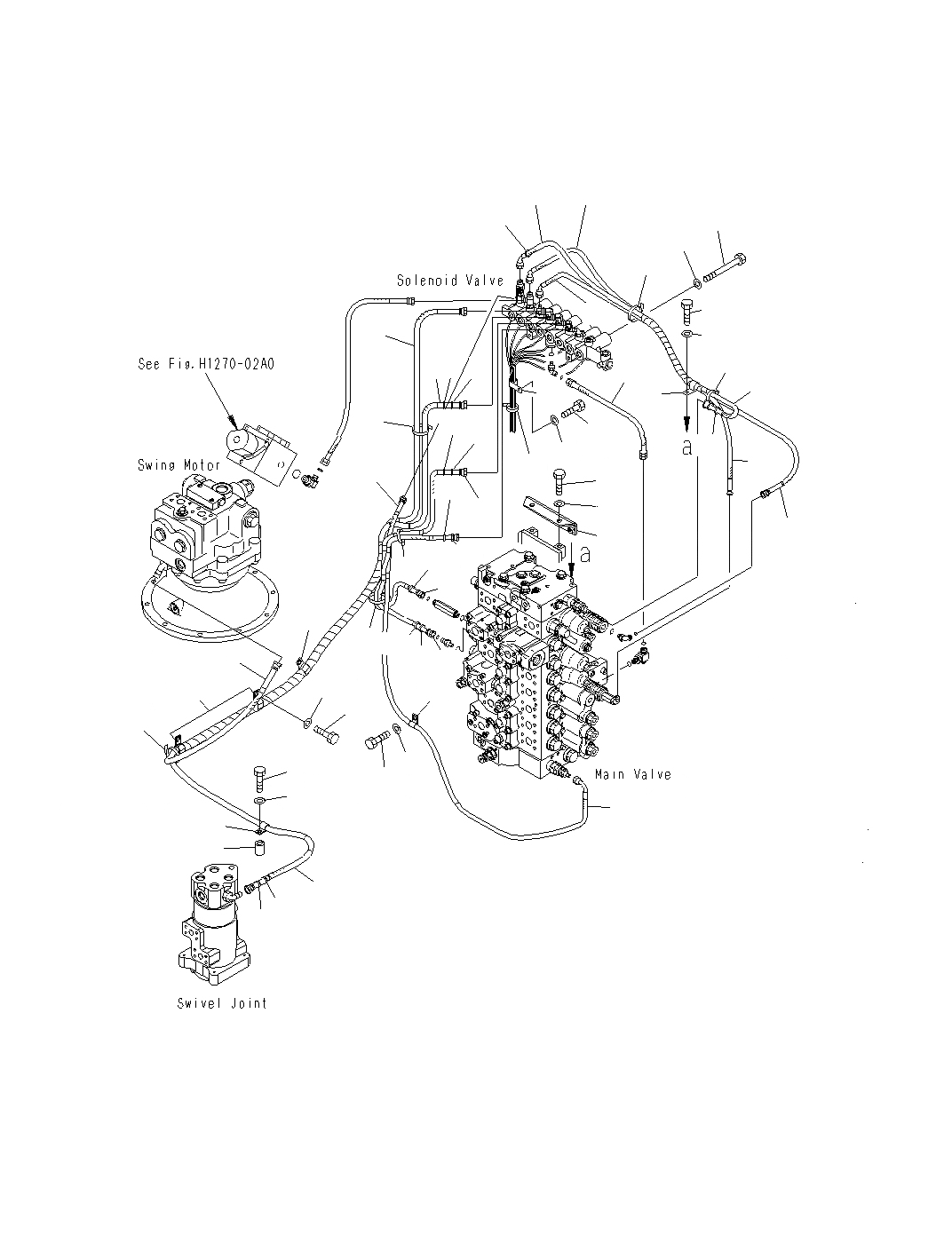
Запчасти Komatsu PC400LCSE-8R СОЛЕНОИДНЫЙ КЛАПАН (ПАТРУБКИ И КОРПУС) ( АКТУАТОР) H

Схема запчастей Komatsu PC400LCSE-8R - СОЛЕНОИДНЫЙ КЛАПАН (ПАТРУБКИ И КОРПУС) ( АКТУАТОР) H
21
15
17
11
19
6
2
3
16
8
38
18
5
39
16
7
20
17
22
37
4
14
13
23
19
24
18
25
12
40
15
41
10
21
1
9
11
26
9
14
5
13
10
29
27
34
28
4
36
32
35
33
12
30
31
6
8
7
FIT
1:1
100%

Артикул

Название

Примечание

Количество

1

208-62-71791

BRACKET

2

01010-81090

BOLT

3

01643-31032

WASHER

4

08034-20519

BAND

5

02760-00325

HOSE, 2500MM

6

02760-00324

HOSE, 2400MM

7

20Y-62-22790

BAND, RED

8

20Y-62-22810

BAND, YELLOW

9

08034-20536

BAND

10

02760-00207

HOSE, 700MM

11

11Y-62-29480

HOSE, 720MM

12

02761-00214

HOSE

13

20Y-62-22810

BAND, YELLOW

14

20Y-62-22820

BAND, BLUE

15

20Y-62-22860

BAND, BROWN

16

08034-20519

BAND

17

02764-002A8

HOSE

18

02764-00209

HOSE

19

20Y-62-22820

BAND, BLUE

20

02760-002A4

HOSE. 450MM

21

02764-00207

HOSE

22

04434-52112

CLIP

23

01010-81225

BOLT

24

01643-31232

WASHER

25

08034-20536

BAND

26

04435-51512

CLIP

27

04435-51512

CLIP

28

01010-81225

BOLT

29

01643-31232

WASHER

30

04434-51412

CLIP

31

142-03-11160

SPACER

32

01010-81260

BOLT

33

01643-31232

WASHER

34

04434-51012

CLIP

35

01010-81220

BOLT

36

01643-31232

WASHER

37

6150-51-5480

CLIP

38

01010-81225

BOLT

39

01643-31232

WASHER

40

01010-81230

BOLT

41

01643-31232

WASHER

Выбрано товаров: 41