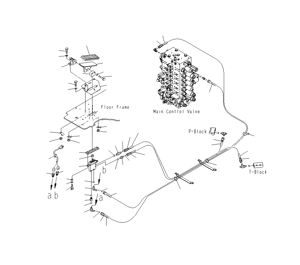
Запчасти Komatsu PC400LCSE-8R КАБИНА (ПОЛ) (1. НАВЕСН.ОБОРУД. УПРАВЛ-Е) K

Схема запчастей Komatsu PC400LCSE-8R - КАБИНА (ПОЛ) (1. НАВЕСН.ОБОРУД. УПРАВЛ-Е) K
28
32
16
8
9
10
7
12
3
11
14
13
15
29
38
27
42
40
31
39
23
35
33
22
43
40
30
26
27
2
30
31
36
33
41
25
34
1
24
37
37
26
6
21
5
20
19
29
4
18
34
17
21
19
20
32
28
FIT
1:1
100%

Артикул

Название

Примечание

Количество

1

702-16-04290

PILOT VALVE

2

22U-54-25660

SEAL

3

20Y-43-41760

SEAT

4

01010-81025

BOLT

5

01643-31032

WASHER

6

01643-31032

WASHER

7

20Y-62-25360

BRACKET

8

01010-D1035

BOLT

9

01643-71032

WASHER

10

20Y-53-14220

PEDAL

11

01010-D1045

BOLT

12

01643-71032

WASHER

13

22U-54-25541

PLATE

14

01010-81025

BOLT

15

01643-31032

WASHER

16

207-43-81240

CAP

17

20T-910-8660

NIPPLE

18

07000-12011

O-RING

19

20Y-62-52160

ELBOW

20

02896-11008

O-RING

21

07000-12011

O-RING

22

20Y-62-43470

NIPPLE

23

02896-11008

O-RING

24

11Y-62-12140

NIPPLE

25

02896-11008

O-RING

26

07000-12011

O-RING

27

02760-00209

HOSE

28

02760-00211

HOSE

29

207-62-76470

HOSE

30

208-62-76570

HOSE

31

20Y-62-22790

BAND, (RED)

32

20Y-62-22810

BAND, (YELLOW)

33

20Y-62-22820

BAND, (BLUE)

34

08034-20519

BAND

35

04435-51210

CLIP

36

01583-11408

NUT

37

206-06-61130

SWITCH

38

08193-21012

CLIP

39

08053-01510

CLIP

40

01580-01008

NUT

41

08034-20536

BAND

42

04434-50610

CLIP

43

01580-01008

NUT

Выбрано товаров: 43