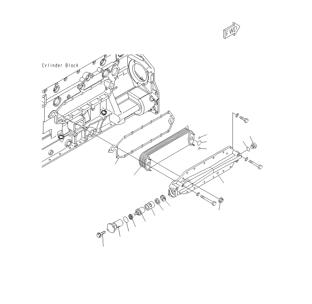
Запчасти Komatsu PC400LCSE-8R МАСЛООХЛАДИТЕЛЬ A

Схема запчастей Komatsu PC400LCSE-8R - МАСЛООХЛАДИТЕЛЬ A
4
4
3
15
2
5
12
10
11
9
13
8
7
1
16
14
6
FIT
1:1
100%

Артикул

Название

Примечание

Количество

1

6152-62-2210

ELEMENT, OIL COOLER

2

6150-61-2125

COVER, OIL COOLER

3

6150-61-2510

O-RING

4

6150-61-2520

O-RING

5

6150-61-2580

NUT

6

6150-61-2530

PLUG

7

6151-62-2130

COVER

8

07000-63042

O-RING

9

6251-61-2610

THERMOSTAT

10

6150-61-2540

SEAL

11

6150-61-2141

CASE

12

6150-61-2151

PLATE

13

6151-62-2180

STRAINER

14

01435-00825

BOLT

15

6150-61-2550

O-RING

16

6150-61-2815

GASKET

Выбрано товаров: 16