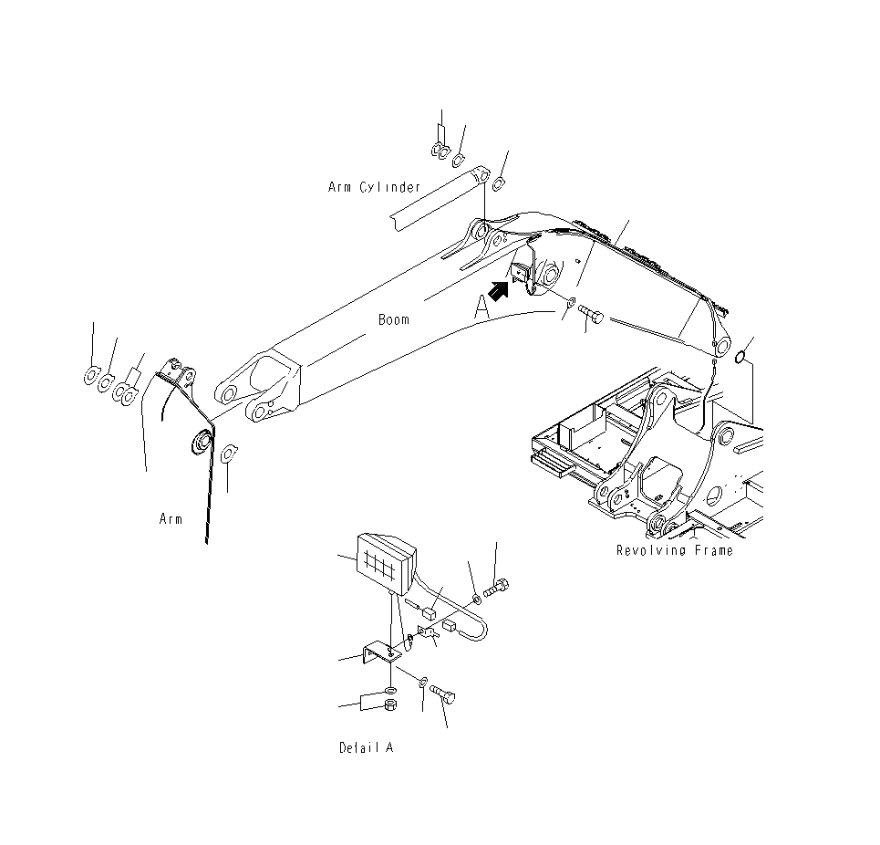
Запчасти Komatsu PC400LCSE-8R СТРЕЛА ( ЧАС. СИСТ. СМАЗКИ ТИП) (ЛАМПА РАБОЧ. ОСВЕЩЕНИЯ И УПЛОТНЕНИЯ) T

Схема запчастей Komatsu PC400LCSE-8R - СТРЕЛА ( ЧАС. СИСТ. СМАЗКИ ТИП) (ЛАМПА РАБОЧ. ОСВЕЩЕНИЯ И УПЛОТНЕНИЯ) T
14
15
14
10
3
1
1
11
11
12
13
4
9
5
7
6
6
7
9
2
8
FIT
1:1
100%

Артикул

Название

Примечание

Количество

1

21T-06-32810

WORK LAMP ASS'Y

|$2

421-06-23330

BULB, 70W

2

20Y-06-21551

BRACKET

3

01010-81430

BOLT

4

01643-31445

WASHER

5

04434-51012

CLIP

6

01010-81220

BOLT

7

01643-31232

WASHER

8

08193-20012

CLIP

9

207-06-75161

WIRING HARNESS

10

07145-00120

SEAL

11

208-70-71531

SPACER. 2.0MM

12

208-70-71541

SPACER. 2.5MM

13

208-70-71551

SPACER. 3.0MM

14

208-70-71651

SPACER

15

208-70-71661

SPACER

Выбрано товаров: 16