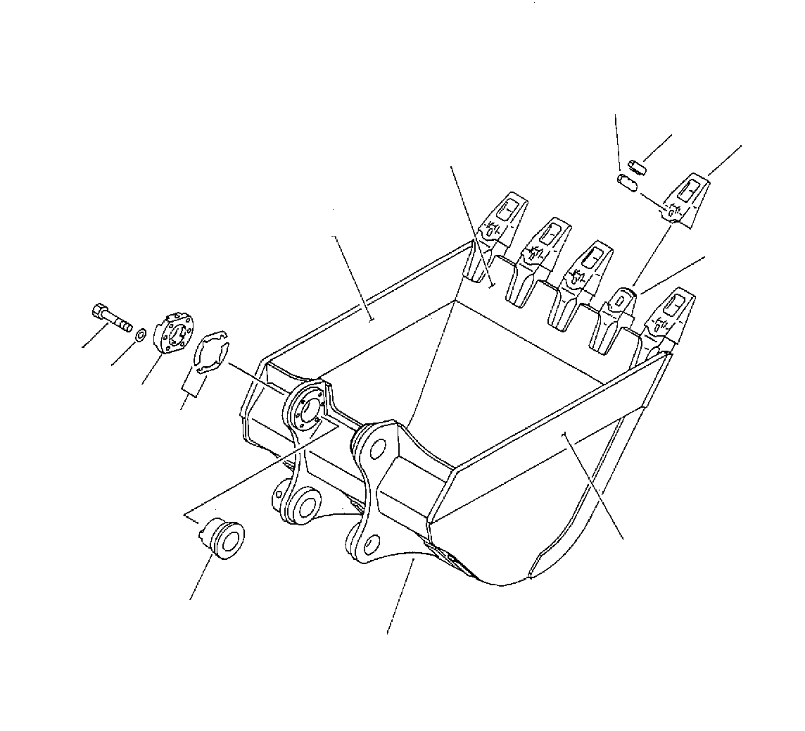
Запчасти Komatsu PC400LCSE-8R КОВШ (.M SE) (ВЕРТИКАЛЬН. ПАЛЕЦ) (С РЕГУЛИРОВКОЙ) T

Схема запчастей Komatsu PC400LCSE-8R - КОВШ (.M SE) (ВЕРТИКАЛЬН. ПАЛЕЦ) (С РЕГУЛИРОВКОЙ) T
7
8
6
5
4
2
10
11
9
12
3
13
1
FIT
1:1
100%

Артикул

Название

Примечание

Количество

1

208-920-7110

BUCKET

2

208-70-34150

ADAPTER, (WELDED)

3

208-920-6A30

PLATE, (WELDED)

4

208-920-6A40

PLATE, (WELDED)

5

208-920-5120

PLATE, (WELDED)

6

208-70-34211

TOOTH

7

208-70-34220

PIN

8

208-70-34191

LOCK

9

209-70-54171

COVER

10

01010-82480

BOLT

11

01643-32460

WASHER

12

209-70-00082

SHIM ASS'Y

|$13

SHIM, 1.0MM

|$14

SHIM, 0.5MM

13

208-70-61480

BUSHING

Выбрано товаров: 15