Качественные детали и логистика
Оригинальные и аналоговые запчасти с доставкой по России, Казахстану и Беларуси
©2022 PartSell ООО "Система" ИНН 2463123282 ОГРН 1212400004838
Центральный офис: г. Красноярск, Академика Киренского, д.87, пом.4
Телефон: 8 (800) 777-65-74 Email: zakaz@partsell.ru
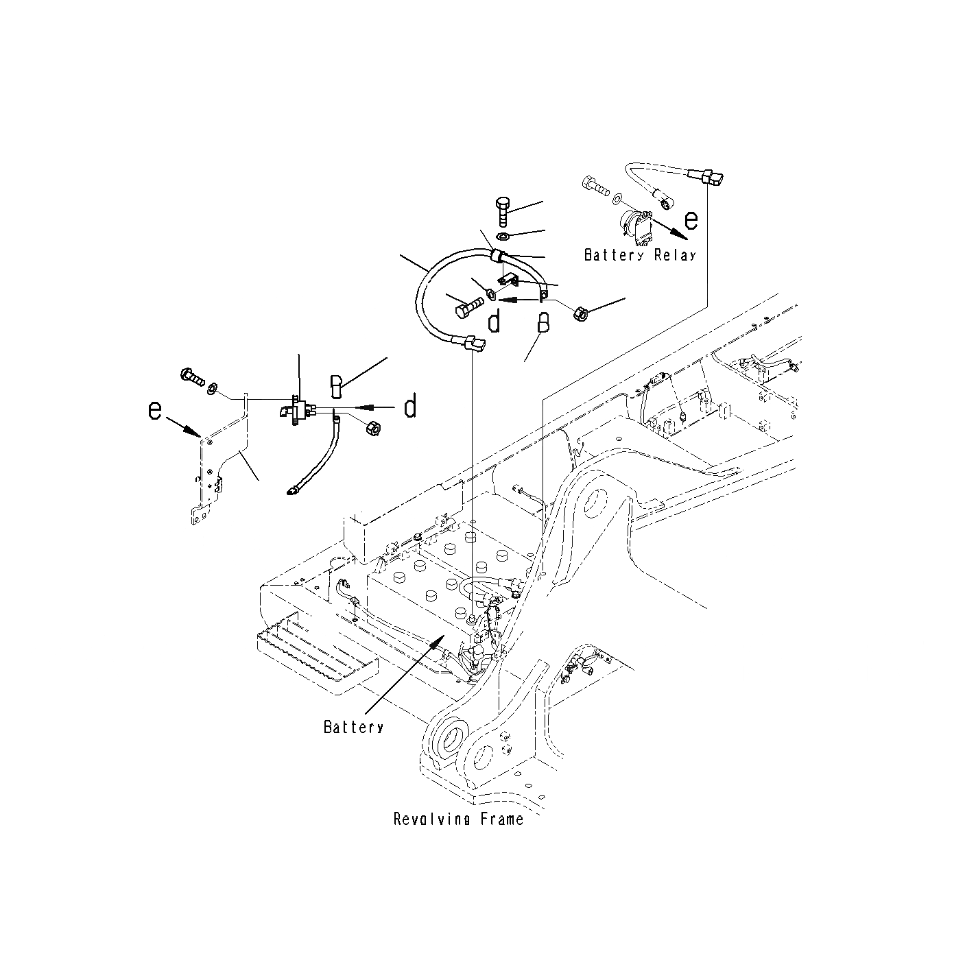
BATERY CUT OFF
№
Артикул
Название
Примечание
Количество
1
207-06-J1280
SWITCH ASS'Y
2
08028-ED095
CABLE
3
08038-00035
CAP
4
203-62-56381
BRACKET
5
01010-81020
BOLT
6
01580-01008
NUT
7
01643-31032
WASHER
8
04434-53211
CLIP
9
07095-20523
CUSHION
10
11
12
207-54-J1320
Выбрано товаров: 0