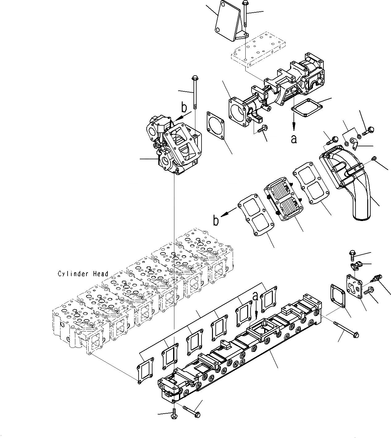
Запчасти Komatsu PC400LCSE-8R ТРУБОПРОВОД ВПУСКА ВОЗДУХА И СОЕДИНЕНИЕ(№9-8) A

Схема запчастей Komatsu PC400LCSE-8R - ТРУБОПРОВОД ВПУСКА ВОЗДУХА И СОЕДИНЕНИЕ(№9-8) A
26
22
20
19
23
7
3
21
1
2
5
4
6
12
13
12
10
8
9
11
16
17
15
25
18
14
24
27
FIT
1:1
100%

Артикул

Название

Примечание

Количество

1

6251-11-4110

MANIFOLD, AIR INTAKE

2

01436-01030

BOLT

3

01435-01080

BOLT

4

6251-11-4250

COVER

5

6251-11-4260

GASKET

6

01435-01025

BOLT

7

6150-13-4810

GASKET

8

6261-81-2700

SENSOR ASS'Y, BOOST PRESSURE

|$9

6261-81-2710

SENSOR

|$10

6261-81-2720

O-RING

9

01435-00616

BOLT

10

6560-61-7300

SENSOR,INTAKE ASS'Y

|$13

6560-61-7310

SENSOR

|$14

6735-21-1930

O-RING

11

6251-11-4320

CONNECTOR, AIR INLET

12

6251-11-4830

GASKET

13

600-81-53811

HEATER, RIBBON

14

01435-01070

BOLT

15

01435-01080

BOLT

16

07042-A0108

PLUG

17

6251-81-4520

PLATE

18

01643-31032

WASHER

19

6251-11-7210

HOUSING, AIR JUNCTION

20

01436-01060

BOLT

21

01435-01040

BOLT

22

6251-11-7410

CONNECTOR, UPPER

23

6251-11-7450

GASKET

24

01435-01035

BOLT

25

6251-11-4820

GASKET

26

6251-11-4410

BRACKET

27

01435-01045

BOLT

Выбрано товаров: 31