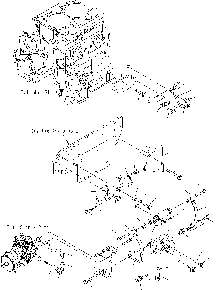
Запчасти Komatsu PC400LCSE-8R ТОПЛИВН. PОБОД КОЛЕСАING НАСОС И ТРУБЫ (№9-8) A

Схема запчастей Komatsu PC400LCSE-8R - ТОПЛИВН. PОБОД КОЛЕСАING НАСОС И ТРУБЫ (№9-8) A
32
6
38
40
39
7
35
37
36
41
5
42
4
1
17
18
31
1
33
14
2
34
4
21
5
8
17
20
18
3
15
16
30
28
29
22
28
13
25
19
9
24
12
23
26
11
27
10
FIT
1:1
100%

Артикул

Название

Примечание

Количество

1

6219-71-8600

BLOCK

|$2

6210-21-1390

PIN

|$3

6219-71-8610

BLOCK

2

01435-01025

BOLT

3

6245-71-8110

PUMP ASS'Y, PRIMMING

4

6245-71-5680

BRACKET

5

01435-00612

BOLT

6

6251-71-7210

BRACKET

7

01435-01055

BOLT

8

6251-71-7230

BLOCK

9

01435-01070

BOLT

10

02781-00516

UNION

11

07002-12034

O-RING

12

07040-12012

PLUG

13

07002-12034

O-RING

14

07271-61225

HOSE

15

6251-71-7250

JOINT

16

07002-12034

O-RING

17

07206-30812

BOLT

18

07005-01212

GASKET

19

6251-71-7260

HOSE

20

07206-30812

BOLT

21

07005-01212

GASKET

22

6251-71-7270

TUBE

23

02782-10422

ELBOW

24

07002-12034

O-RING

25

02896-11012

O-RING

26

6251-71-7280

TUBE

27

7700-45-1710

BOLT

28

07005-01412

GASKET

29

6110-53-5910

PLUG

30

07005-01412

GASKET

31

08193-20010

CLIP

32

6631-11-5630

SPACER

33

01435-01035

BOLT

34

6218-81-8470

BAND

35

08193-20010

CLIP

36

01435-01016

BOLT

37

6251-71-7290

WIRING HARNESS

38

600-051-2080

CLIP

39

01435-01020

BOLT

40

01643-31032

WASHER

41

6251-71-7470

COVER

42

01436-01000

BOLT

Выбрано товаров: 44