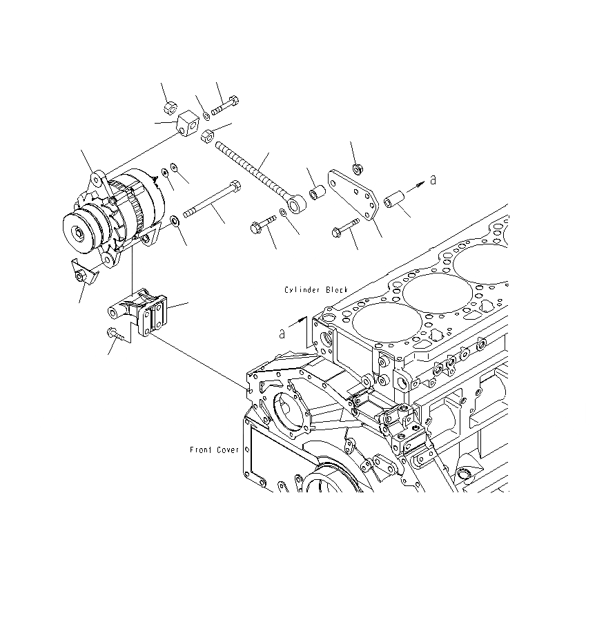
Запчасти Komatsu PC400LCSE-8R ГЕНЕРАТОР И КРЕПЛЕНИЕ (A) A

Схема запчастей Komatsu PC400LCSE-8R - ГЕНЕРАТОР И КРЕПЛЕНИЕ (A) A
19
8
14
18
20
14
13
17
1
12
15
3
2
11
4
9
6
16
10
7
5
FIT
1:1
100%

Артикул

Название

Примечание

Количество

1

600-825-5150

ALTERNATOR ASS'Y (50A)(SEE FIG.A6010-B3X5)

2

600-815-9980

WASHER

3

600-815-9970

WASHER

4

6128-21-6780

BOLT

5

6156-81-6371

BRACKET

6

01640-21323

WASHER

7

6156-81-6480

BRACKET

8

01435-01030

BOLT

9

6150-82-8650

PLATE

10

01435-01065

BOLT

11

6206-11-4490

SPACER

12

6150-82-8610

ROD, ADJUSTING

13

6150-82-8690

PLATE

14

01580-11411

NUT

15

6215-81-6150

PIN, INNER

16

01435-01255

BOLT

17

01584-01210

NUT

18

01643-31232

WASHER

19

01050-51260

BOLT

20

01643-31232

WASHER

Выбрано товаров: 20