Качественные детали и логистика
Оригинальные и аналоговые запчасти с доставкой по России, Казахстану и Беларуси
©2022 PartSell ООО "Система" ИНН 2463123282 ОГРН 1212400004838
Центральный офис: г. Красноярск, Академика Киренского, д.87, пом.4
Телефон: 8 (800) 777-65-74 Email: zakaz@partsell.ru
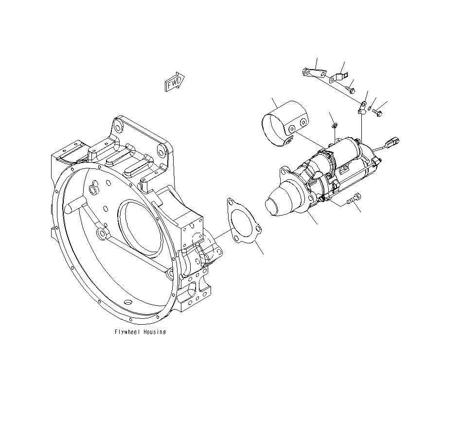
КРЕПЛЕНИЕ СТАРТЕРА (KW)(С ЗАЩИТА COVER)
№
Артикул
Название
Примечание
Количество
1
600-813-9322
STARTING MOTOR ASS'Y, (11KW) (SEE FIG.A6010-B3H6)
2
6221-81-6810
GASKET
3
01010-81640
BOLT
4
6217-81-6110
COVER, PROTECT
5
421-62-11940
PLATE
6
08193-20010
CLIP
7
01435-01020
8
600-051-2050
9
10
01643-31032
WASHER
11
6218-81-8470
BAND
Выбрано товаров: 0