Качественные детали и логистика
Оригинальные и аналоговые запчасти с доставкой по России, Казахстану и Беларуси
©2022 PartSell ООО "Система" ИНН 2463123282 ОГРН 1212400004838
Центральный офис: г. Красноярск, Академика Киренского, д.87, пом.4
Телефон: 8 (800) 777-65-74 Email: zakaz@partsell.ru
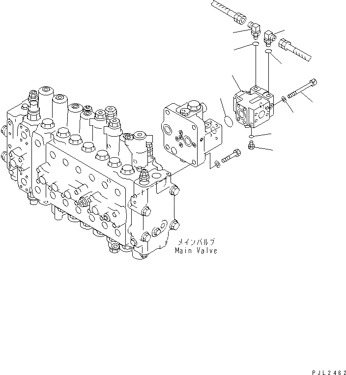
ОСНОВН. КЛАПАН (ДАТЧИК)(№-)
№
Артикул
Название
Примечание
Количество
1
702-21-09147
VALVE ASS'Y
2
21T-09-11460
O-RING
3
708-27-12560
BOLT
4
01643-51032
WASHER
5
207-62-63780
ELBOW
6
07002-11423
7
07235-10311
8
9
07040-11409
PLUG
10
Выбрано товаров: 0