Запчасти Komatsu PC40FR-1 РЫЧАГ УПРАВЛ-Я ХОДОМ СИСТЕМА УПРАВЛЕНИЯ

Схема запчастей Komatsu PC40FR-1 - РЫЧАГ УПРАВЛ-Я ХОДОМ СИСТЕМА УПРАВЛЕНИЯ
FIT
1:1
100%

Артикул

Название

Примечание

Количество

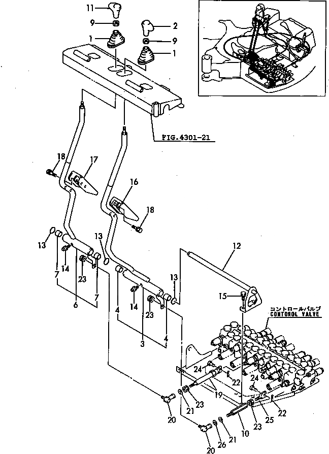
1

YM172141-41340

BOOTS

2

YM172164-45951

KNOB

|2

YM172164-45950

GRIP

3

YM172164-45100

LEVER,TRACK

4

YM172141-41370

BUSHING

6

YM172164-45130

LEVER,TRACK

7

YM172141-41370

BUSHING

9

YM26756-100002

NUT

10

YM172164-45380

ROD

11

YM172164-45961

KNOB

|11

YM172164-45960

GRIP

12

YM172164-45200

SHAFT ASS'Y,TRACK

13

YM172124-46200

O-RING

14

YM24761-020000

FITTING,GREASE

15

YM26013-100252

BOLT

16

YM172165-46100

PEDAL

17

YM172165-46150

PEDAL

18

YM26013-060302

BOLT

19

YM172164-45230

ROD

20

YM172122-46590

END

21

YM22137-080000

WASHER

22

YM22417-160160

PIN

23

YM26051-080002

NUT

24

YM933110-54100

PIN

25

YM172146-45691

ROD,SPOOL

26

YM22217-080000

WASHER

Выбрано товаров: 26