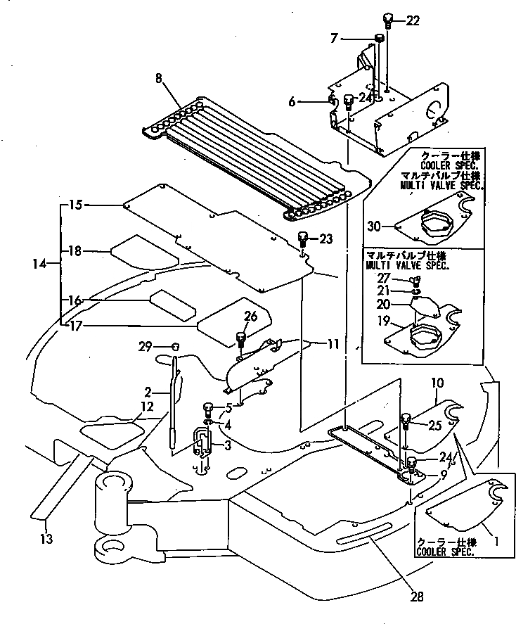
Запчасти Komatsu PC40FR-1 ПОЛ КАБИНЫ(№-) ЧАСТИ КОРПУСА

Схема запчастей Komatsu PC40FR-1 - ПОЛ КАБИНЫ(№-) ЧАСТИ КОРПУСА
FIT
1:1
100%

Артикул

Название

Примечание

Количество

1

YM172164-62600

PLATE

2

YM172164-58800

PIN

3

YM17216458830K

BRACKET,(BLUE)

4

YM22217-100000

WASHER

5

YM26116-100202

BOLT

6

YM172164-62190

STEP

7

YM172151-62240

GROMMET

8

YM172164-62300

MAT,FLOOR

9

YM172164-62310

BRACKET

10

YM172164-62340

PLATE

11

YM172164-62370

BRACKET

12

YM172164-62420

SHEET,FRAME

13

YM172164-62430

SEAT,SWING

14

YM172164-62450

STEP ASS'Y

15

YM172164-62270

STEP

16

YM172164-62460

ABSORBER

17

YM172164-62470

ABSORBER

18

YM172164-62480

ABSORBER

19

YM172164-62501

PLATE

|19

YM172164-62500

PLATE

20

YM172164-62531

COVER

|20

YM172164-62530

COVER

21

YM22217-100000

WASHER

22

YM26013-100202

BOLT

23

YM26013-100202

BOLT

24

YM26013-100202

BOLT

25

YM26013-100202

BOLT

26

YM26013-100202

BOLT

27

YM26647-100152

BOLT

28

YM172164-62490

SEAT,STEP

29

YM172116-46630

KNOB,LOCK LEVER

30

YM172164-62621

PLATE

|30

YM172164-62620

PLATE

Выбрано товаров: 33