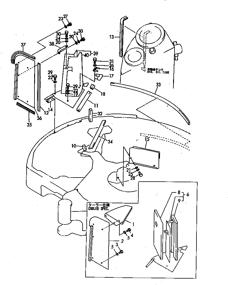
Запчасти Komatsu PC40FR-1 ВОЗДУХОВОДЫ ЧАСТИ КОРПУСА

Схема запчастей Komatsu PC40FR-1 - ВОЗДУХОВОДЫ ЧАСТИ КОРПУСА
FIT
1:1
100%

Артикул

Название

Примечание

Количество

1

YM172176-65750

DUCT ASS'Y

2

YM172176-65790

DUCT ASS'Y

3

YM26116-100162

BOLT

4

YM26116-100202

BOLT

5

YM22217-100000

WASHER

6

YM172176-65650

DUCT ASS'Y

8

YM172176-65700

SHEET,PLATE

9

YM172176-65710

SHEET,PLATE

10

YM172164-66600

SEAL

11

YM172164-66620

RUBBER,SEAL

12

YM172164-66630

RUBBER,SEAL

13

YM172164-66640

RUBBER,SEAL

14

YM172164-66650

RUBBER,SEAL

15

YM17216466680K

PLATE,(BLUE)

16

YM172164-66710

BRACKET ASS'Y

17

YM172164-66740

SEAL

18

YM172164-66800

RUBBER,SEAL

19

YM22137-100000

WASHER

20

YM22137-100000

WASHER

21

YM22137-100000

WASHER

22

YM22217-100000

WASHER

23

YM22217-100000

WASHER

24

YM22217-100000

WASHER

25

YM22217-100000

WASHER

26

YM22217-100000

WASHER

27

YM26116-100162

BOLT

28

YM26116-100162

BOLT

29

YM26116-100202

BOLT

30

YM26116-100202

BOLT

31

YM26116-100202

BOLT

32

YM172164-13660

SEAL

33

YM172164-54760

SEAL,FRAME

34

YM172164-54770

SEAL,FRAME

35

YM172168-65790

RUBBER

36

YM172164-66440

DUCT

37

YM172164-66480

RUBBER,SEAL

38

YM172164-66490

BRACKET,RESERVOIR

39

YM172164-66500

DUCT

40

YM172164-66560

DUCT,ABSORBER

Выбрано товаров: 39