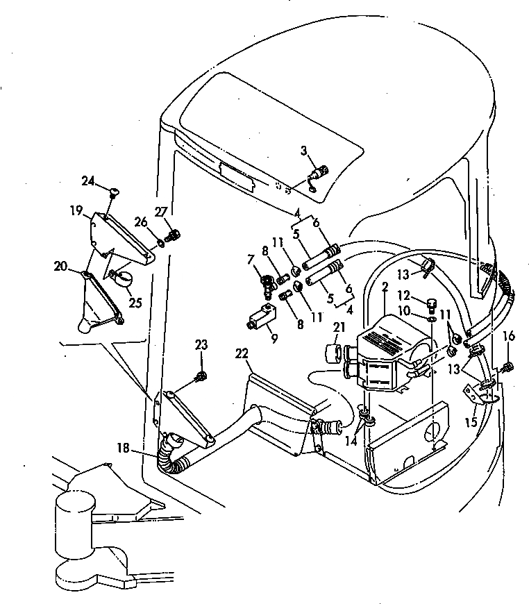
Запчасти Komatsu PC40FR-1 ОБОГРЕВАТЕЛЬ. И АНТИОБЛЕДЕНИТЕЛЬ ЧАСТИ КОРПУСА

Схема запчастей Komatsu PC40FR-1 - ОБОГРЕВАТЕЛЬ. И АНТИОБЛЕДЕНИТЕЛЬ ЧАСТИ КОРПУСА
FIT
1:1
100%

Артикул

Название

Примечание

Количество

1

YM772164-17600

HEATER ASS'Y

2

YM172312-17600

HEATER

3

YM172162-17610

SWITCH,HEATER

4

YM172164-17610

HOSE,HEATER

5

YM172164-17630

HOSE,HEATER

6

YM172164-17620

TUBE

7

YM172124-17630

VALVE

8

YM172124-17640

JOINT

9

YM23392-030000

JOINT

|9

YM172732-76161

ELBOW

9A

YM172135-76100

ELBOW

10

YM22137-100000

WASHER

11

YM23000-022000

CLAMP

12

YM26013-100202

BOLT

13

YM933152-09280

BAND

14

YM933171-15680

GROMMET

15

YM172165-18770

GUIDE,HOSE

16

YM26013-080252

BOLT

16A

YM172168-79520

ELBOW

17

YM772164-17701

DEFROSTER ASS'Y

18

YM172164-17640

HOSE

19

YM172164-17701

BRACKET

20

YM172120-17710

NOZZLE,DEFROSTER

21

YM172122-17730

COVER,DEFROSTER

22

YM172164-61560

COVER

23

YM26013-080202

BOLT

24

YM26557-050102

SCREW

25

YM172158-78250

CLAMP

26

YM22137-100000

WASHER

27

YM26013-100202

BOLT

Выбрано товаров: 30