Запчасти Komatsu PC40FR-1 ПОВОРОТН. ЦИЛИНДР РАБОЧЕЕ ОБОРУДОВАНИЕ

Схема запчастей Komatsu PC40FR-1 - ПОВОРОТН. ЦИЛИНДР РАБОЧЕЕ ОБОРУДОВАНИЕ
FIT
1:1
100%

Артикул

Название

Примечание

Количество

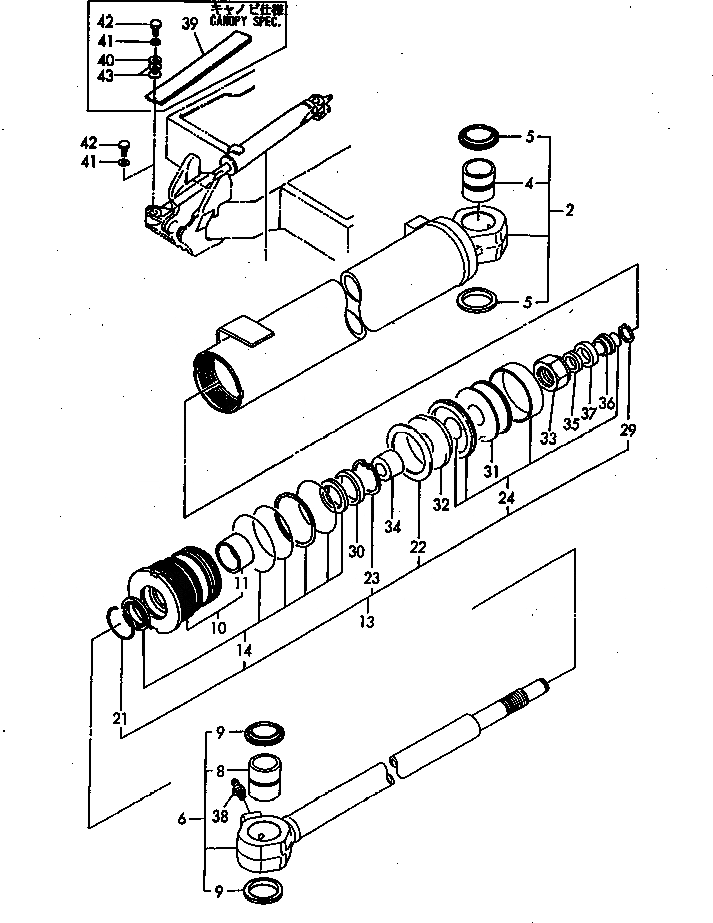
1

YM172151-72753

CYLINDER ASS'Y,SWING

2

YM172151-72070

TUBE,SWING

4

YM172165-72310

BUSHING

5

YM172165-81750

SEAL,DUST

6

YM172151-72060

ROD ASS'Y,SWING

8

YM172165-72310

BUSHING

9

YM172165-81750

SEAL,DUST

10

YM172151-72840

HEAD

11

YM933135-14600

BUSHING,ROD

13

YM172151-72080

CYLINDER KIT,SWING

14

YM172151-71860

SEAL SET,HEAD

21

YM933111-26600

RING,SPRING

22

YM172151-72870

WASHER

23

YM22252-000561

CLIP

24

YM172151-71850

SEAL SET,PISTON

29

YM172142-72810

CLIP

30

YM172137-72730

RING,CUSHION

31

YM172151-72950

PISTON

32

YM172151-72960

SPACER

33

YM172141-72250

U-NUT

34

YM933127-23001

PLUNGER

35

YM172137-72710

COLLAR,CUSHION

36

YM172137-72720

COLLAR,CUSHION

37

YM172135-72800

RING,CUSHION

38

YM24761-020000

FITTING,GREASE

39

YM17216572401K

COVER,(GREEN)

40

YM933147-03400

WASHER

41

YM22217-100000

WASHER

42

YM26116-100162

BOLT

43

YM933168-14170

SPRING

Выбрано товаров: 0