Запчасти Komatsu PC40FR-1 ЦИЛИНДР РУКОЯТИ(№-) РАБОЧЕЕ ОБОРУДОВАНИЕ

Схема запчастей Komatsu PC40FR-1 - ЦИЛИНДР РУКОЯТИ(№-) РАБОЧЕЕ ОБОРУДОВАНИЕ
FIT
1:1
100%

Артикул

Название

Примечание

Количество

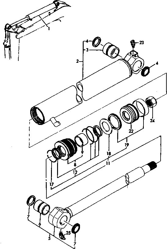
1

YM172964-72010

CYLINDER,ARM

2

YM172164-72460

TUBE ASS'Y,ARM

3

YM172168-72410

BUSHING

4

YM172165-81750

SEAL,DUST

5

YM172164-72500

ROD ASS'Y,ARM

6

YM172168-72410

BUSHING

7

YM172165-81750

SEAL,DUST

8

YM172148-72390

HEAD

9

YM194300-24130

BUSHING

11

YM172164-72330

CYLINDER KIT,ARM

12

YM172164-72340

SEAL SET,HEAD

17

YM933125-94500

RING,SPRING

18

YM172141-72190

WASHER

19

YM172164-72350

SEAL SET,PISTON

22

YM172964-72020

PISTON

23

YM24761-050000

FITTING,GREASE

24

YM933111-20200

U-NUT

25

YM24761-040000

FITTING,GREASE

Выбрано товаров: 0