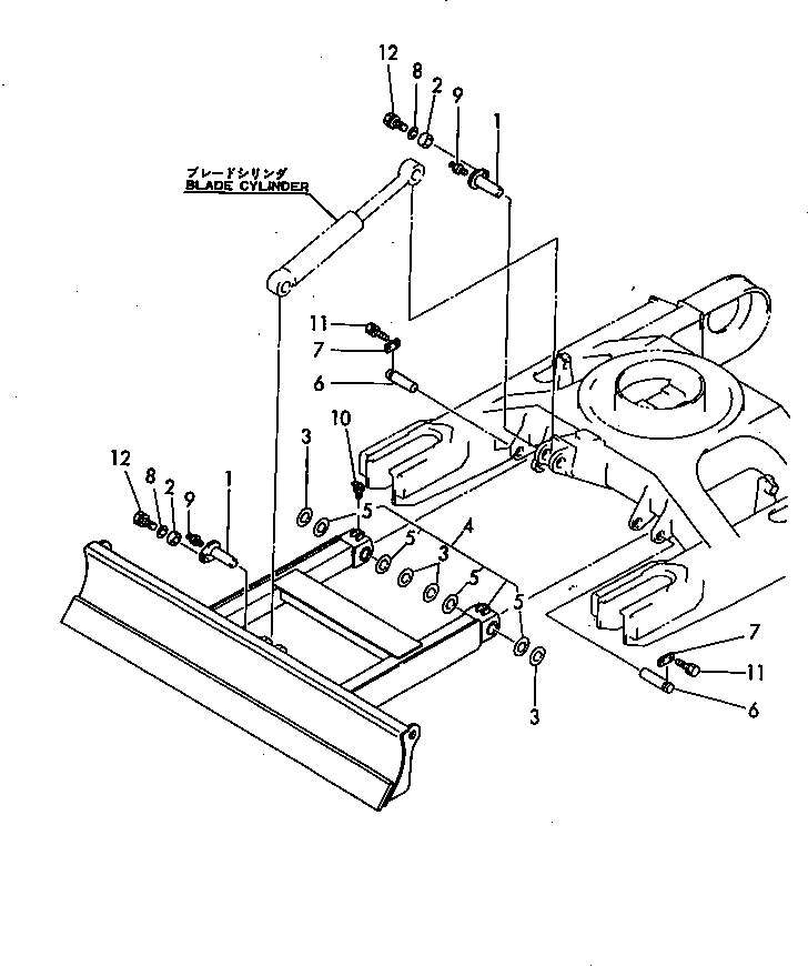
Запчасти Komatsu PC40FR-1 ОТВАЛ РАБОЧЕЕ ОБОРУДОВАНИЕ

Схема запчастей Komatsu PC40FR-1 - ОТВАЛ РАБОЧЕЕ ОБОРУДОВАНИЕ
FIT
1:1
100%

Артикул

Название

Примечание

Количество

1

YM17216481650K

PIN,(GREEN)

2

YM172164-81670

SPACER

3

YM172112-87840

SHIM

4

YM17215194103K

BLADE ASS'Y,(GRAY)

5

YM172168-81410

SEAL,DUST

6

YM172124-94300

PIN,BLADE

7

YM172124-94310

PLATE,LOCK

8

YM22157-120000

WASHER

9

YM24761-020000

FITTING,GREASE

10

YM24761-040000

FITTING,GREASE

11

YM26013-100252

BOLT

12

YM26013-120302

BOLT

Выбрано товаров: 0