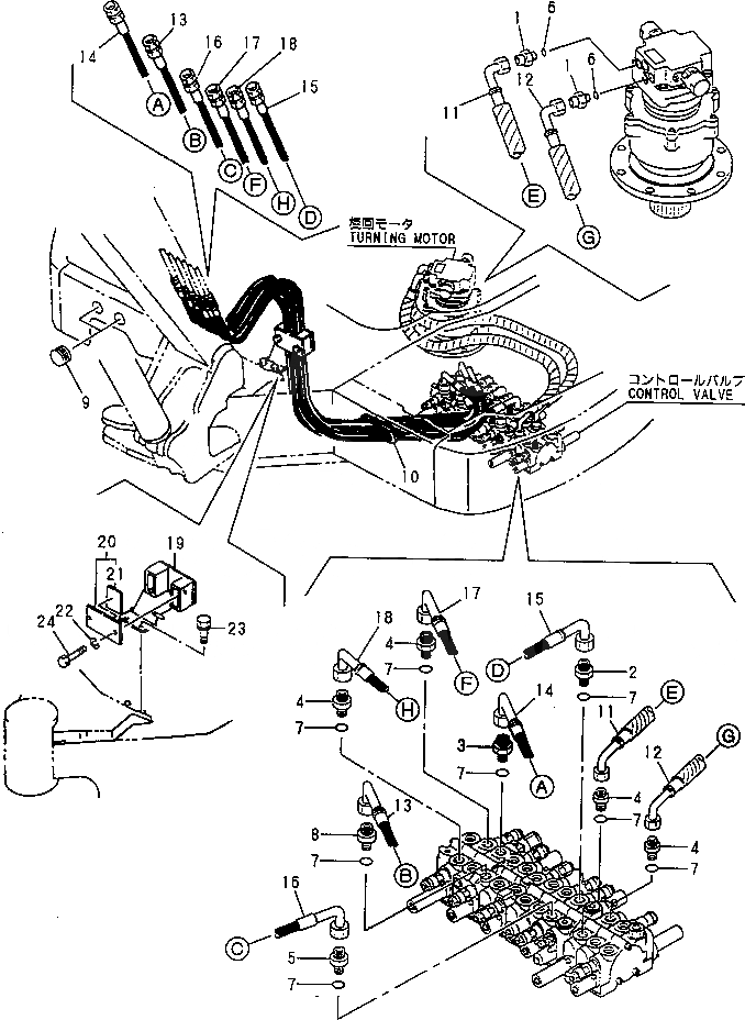
Запчасти Komatsu PC40FR-2 ГИДРОЛИНИЯ (ОСНОВН. ЛИНИЯ) (КЛАПАН-МОТОР ПОВОРОТА¤СТРЕЛА) ГИДРАВЛИКА

Схема запчастей Komatsu PC40FR-2 - ГИДРОЛИНИЯ (ОСНОВН. ЛИНИЯ) (КЛАПАН-МОТОР ПОВОРОТА¤СТРЕЛА) ГИДРАВЛИКА
FIT
1:1
100%

Артикул

Название

Примечание

Количество

1

YM172730-75140

ADAPTER

2

YM172110-76020

CONNECTOR

3

YM172423-76100

CONNECTOR

4

YM172165-76280

CONNECTOR

5

YM172112-77360

CONNECTOR

6

YM24315-000140

O-RING

7

YM24315-000180

O-RING

8

YM933160-01370

CONNECTOR

9

YM172151-53430

GROMMET

10

YM172165-78150

GROMMET

11

YM172423-78170

HOSE

12

YM172423-78180

HOSE

13

YM172423-78210

HOSE

14

YM172423-78220

HOSE

15

YM172423-78230

HOSE

16

YM172423-78240

HOSE

17

YM172423-78250

HOSE

18

YM172423-78260

HOSE

19

YM172164-78701

BRACKET

20

YM172168-78741

PLATE

21

YM172423-78900

RUBBER

22

YM22217-100000

WASHER

23

YM26013-100202

BOLT

24

YM26116-100652

BOLT

Выбрано товаров: 24