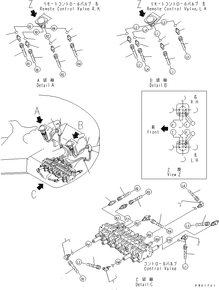
Запчасти Komatsu PC40FR-2 REMORTE УПРАВЛ-Е ТРУБЫ (REMO.CON. КЛАПАН - УПРАВЛЯЮЩ. КЛАПАН) ГИДРАВЛИКА

Схема запчастей Komatsu PC40FR-2 - REMORTE УПРАВЛ-Е ТРУБЫ (REMO.CON. КЛАПАН - УПРАВЛЯЮЩ. КЛАПАН) ГИДРАВЛИКА
1
1
1
1
1
1
1
1
1
1
2
2
2
2
2
2
2
2
2
2
3
3
3
3
4
4
4
4
5
5
6
6
7
7
8
8
9
9
10
10
11
11
12
12
12
12
13
13
14
14
15
15
16
16
17
17
18
FIT
1:1
100%

Артикул

Название

Примечание

Количество

1

YM172123-76120

CONNECTOR

2

YM24315-000110

O-RING

3

YM172423-78500

HOSE

4

YM172423-78510

HOSE

5

YM172423-78520

HOSE

6

YM172423-78530

HOSE

7

YM172423-78570

HOSE

8

YM172423-78560

HOSE

9

YM172423-78580

HOSE

10

YM172423-78590

HOSE

11

YM172165-79810

SPONGE

12

YM172122-79930

CLAMP

13

YM172122-79930

CLAMP

14

YM172173-76100

CONNECTOR

15

YM24315-000110

O-RING

16

YM172141-76180

CONNECTOR

17

YM24315-000110

O-RING

18

YM172183-76200

CONNECTOR

Выбрано товаров: 18