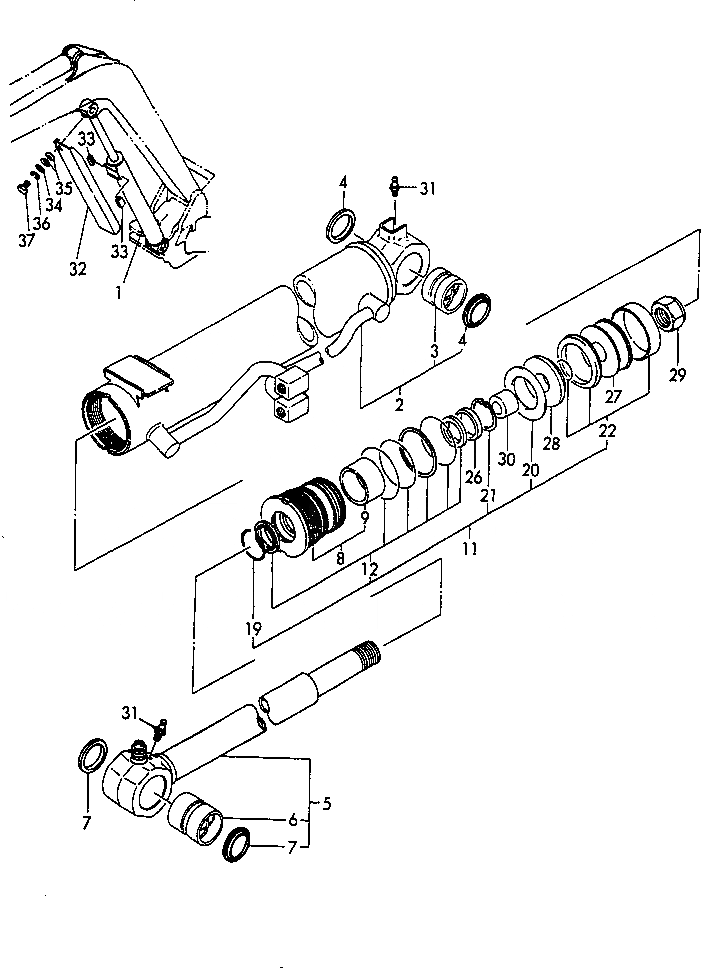
Запчасти Komatsu PC40FR-2 ЦИЛИНДР СТРЕЛЫ(ВНУТР. ЧАСТИ И COVER) (ДЛЯ КАБИНЫ) РАБОЧЕЕ ОБОРУДОВАНИЕ

Схема запчастей Komatsu PC40FR-2 - ЦИЛИНДР СТРЕЛЫ(ВНУТР. ЧАСТИ И COVER) (ДЛЯ КАБИНЫ) РАБОЧЕЕ ОБОРУДОВАНИЕ
FIT
1:1
100%

Артикул

Название

Примечание

Количество

|1

YM17216472021K

CYLINDER

2

YM17216472031K

TUBE

3

YM172146-72310

BUSHING

4

YM933126-44500

DUST SEAL

5

YM172164-72200

ROD

6

YM172146-72310

BUSHING

7

YM933126-44500

DUST SEAL

8

YM172312-72200

HEAD

9

YM172151-72540

BUSHING

11

YM172164-72370

CYLINDER KIT

12

YM172164-72380

SEAL SET

19

YM933111-26700

RING

20

YM172151-72870

LOCK WASHER

21

YM22252-000701

CLIP

22

YM172164-72390

SEAL SET

26

YM172130-72800

RING

27

YM172312-72220

PISTON

28

YM172312-72141

SPACER

29

YM172151-72270

NUT

30

YM172312-72100

PLUNGER

31

YM24761-020000

FITTING

32

YM17216572351K

COVER

33

YM172162-61770

GUIDE

34

YM933147-03400

WASHER

35

YM933168-14170

SPRING

36

YM22217-100000

SPRING WASHER

37

YM26116-100162

BOLT

Выбрано товаров: 27