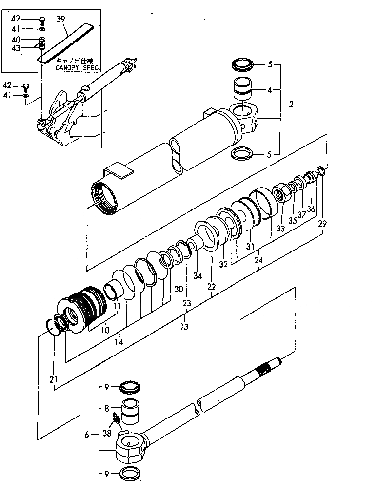
Запчасти Komatsu PC40FR-2 ПОВОРОТН. ЦИЛИНДР (ВНУТР. ЧАСТИ И COVER) РАБОЧЕЕ ОБОРУДОВАНИЕ

Схема запчастей Komatsu PC40FR-2 - ПОВОРОТН. ЦИЛИНДР (ВНУТР. ЧАСТИ И COVER) РАБОЧЕЕ ОБОРУДОВАНИЕ
FIT
1:1
100%

Артикул

Название

Примечание

Количество

1

YM17215172753K

CYLINDER ASS'Y

2

YM17215172070K

TUBE

4

YM172165-72310

BUSHING

5

YM172165-81750

DUST SEAL

6

YM172151-72060

ROD ASS'Y

8

YM172165-72310

BUSHING

9

YM172165-81750

DUST SEAL

10

YM172151-72840

11

YM933135-14600

13

YM172151-72080

14

YM172151-71860

21

YM933111-26600

22

YM172151-72870

23

YM22252-000561

24

YM172151-71850

29

YM172142-72810

30

YM172137-72730

31

YM172151-72950

32

YM172151-72960

33

YM172141-72250

34

YM933127-23001

35

YM172137-72710

36

YM172137-72720

37

YM172135-72800

38

YM24761-020000

39

YM17216572401K

40

YM933147-03400

41

YM22217-100000

42

YM26116-100162

43

YM933168-14170

Выбрано товаров: 0