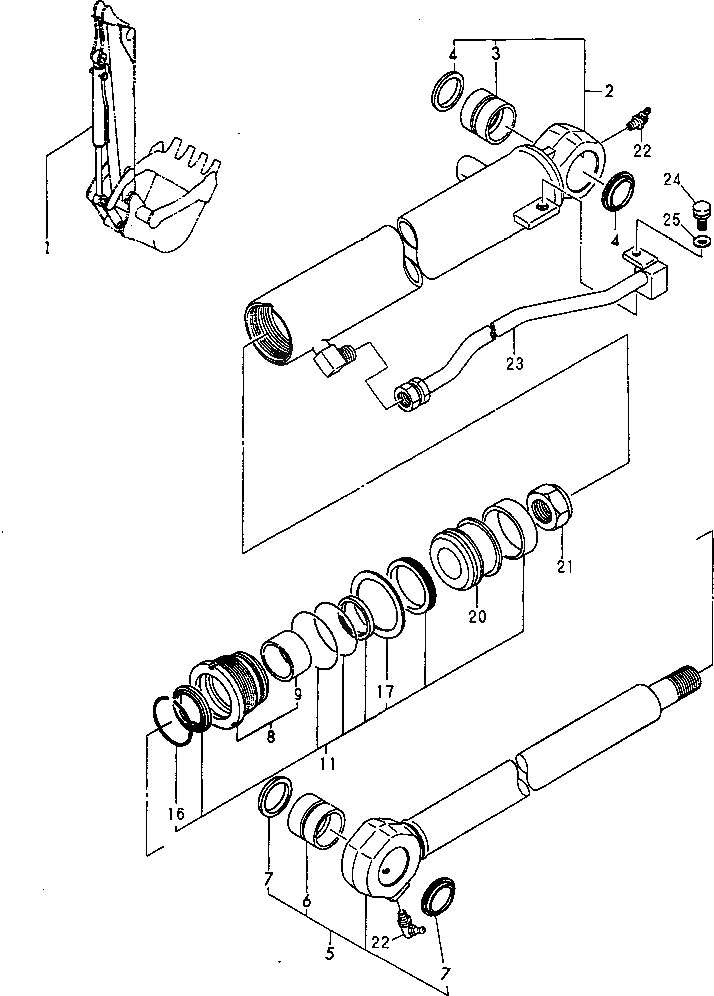
Запчасти Komatsu PC40FR-2 ЦИЛИНДР КОВША (ВНУТР. ЧАСТИ) РАБОЧЕЕ ОБОРУДОВАНИЕ

Схема запчастей Komatsu PC40FR-2 - ЦИЛИНДР КОВША (ВНУТР. ЧАСТИ) РАБОЧЕЕ ОБОРУДОВАНИЕ
FIT
1:1
100%

Артикул

Название

Примечание

Количество

1

YM172964-72100

CYLINDER,BUCKET

2

YM172964-72110

TUBE ASS'Y,BUCKET

3

YM172171-72150

BUSHING

4

YM172168-81270

SEAL,DUST

5

YM172964-72130

ROD ASS'Y,BUCKET

6

YM172171-72150

BUSHING

7

YM172168-81270

SEAL,DUST

8

YM172141-72690

HEAD

9

YM933135-14600

BUSHING,ROD

11

YM172964-72360

CYLINDER KIT,BUCKET

16

YM933111-26600

RING,SPRING

17

YM172141-72190

WASHER

20

YM172175-72540

PISTON

21

YM172175-72550

U-NUT

22

YM24761-040000

FITTING,GREASE

23

YM933136-40503

TUBE

24

YM26013-100202

BOLT

25

YM22137-100000

WASHER

Выбрано товаров: 18