Запчасти Komatsu PC40MR-1 ОСНОВН. КОНСТРУКЦИЯ (КОНТРОЛЬ ХОДА) (ДЛЯ TOPS)(№-) КАБИНА ОПЕРАТОРА И СИСТЕМА УПРАВЛЕНИЯ

Схема запчастей Komatsu PC40MR-1 - ОСНОВН. КОНСТРУКЦИЯ (КОНТРОЛЬ ХОДА) (ДЛЯ TOPS)(№-) КАБИНА ОПЕРАТОРА И СИСТЕМА УПРАВЛЕНИЯ
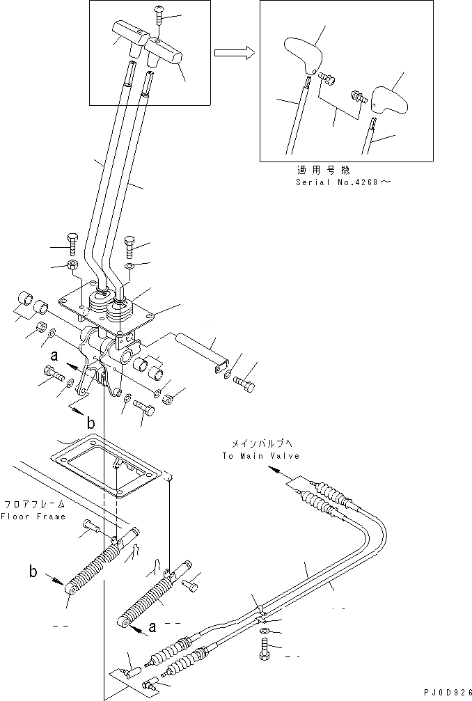
1
2
3
4
4
5
5
6
7
8
9
9
10
11
11
11A
11B
12
12
13
14
15
15
16
16
17
17
18
18
19
19
20
21
22
22
23
23
24
24
25
25
26
26
FIT
1:1
100%

Артикул

Название

Примечание

Количество

1

10S-43-21350

BRACKET

2

01010-81025

BOLT

3

01643-31032

WASHER

4

22M-43-12124

LEVER,L.H.

|4

22M-43-12122

LEVER,L.H.

5

22M-43-12115

LEVER,R.H.

|5

22M-43-12113

LEVER,R.H.

|5

22M-43-12112

LEVER,R.H.

6

20U-43-21171

PIN

7

01010-80616

BOLT

8

01643-30623

WASHER

9

195-61-34130

BEARING

10

20U-43-21211

BOOT

11

203-43-41340

KNOB

11A

20Y-43-21231

KNOB

11B

20Y-43-21241

KNOB

12

01023-20416

SCREW

|12

01225-70620

SCREW

13

01580-10806

NUT

14

01016-50850

BOLT

15

22M-43-11520

CABLE

16

103-43-26170

END

17

01643-30623

WASHER

18

01580-10605

NUT

19

04434-51010

CLIP

20

01010-81020

BOLT

21

01643-31032

WASHER

22

22F-43-11170

DAMPER

23

04205-30828

PIN

24

04052-10833

PIN,SNAP

25

01010-80830

BOLT

26

01643-30823

WASHER

Выбрано товаров: 32