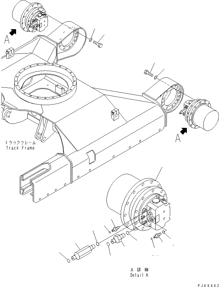
Запчасти Komatsu PC40MR-1 КОНЕЧНАЯ ПЕРЕДАЧА НИЖНЯЯ ГИДРОЛИНИЯ И ЛИНИЯ ХОДА

Схема запчастей Komatsu PC40MR-1 - КОНЕЧНАЯ ПЕРЕДАЧА НИЖНЯЯ ГИДРОЛИНИЯ И ЛИНИЯ ХОДА
1
2
2A
3
3
3A
3A
4
5
5A
6
6A
7
7
8
8
FIT
1:1
100%

Артикул

Название

Примечание

Количество

1

22M-60-11132

TRAVEL MOTOR ASS'Y

2

20U-62-42210

NIPPLE

|2

20T-62-71690

NIPPLE

2A

20U-62-42220

NIPPLE

|2A

22M-62-13490

NIPPLE

3

07002-12034

O-RING

3A

02896-11015

O-RING

4

11Y-62-12130

NIPPLE

|4

07230-20210

UNION

5

07002-01423

O-RING

5A

02896-11008

O-RING

6

20U-62-42230

CONNECTOR

|6

07238-10313

CONNECTOR

6A

02896-61009

O-RING

7

01010-81445

BOLT

8

01643-31445

WASHER

Выбрано товаров: 16