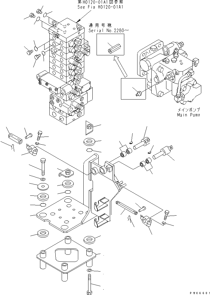
Запчасти Komatsu PC40MR-1 ОСНОВН. КЛАПАН (КОРПУС КРЕПЛЕНИЯ) (ДЛЯ НАВЕСН.ОБОРУД.)(№-) ГИДРАВЛИКА

Схема запчастей Komatsu PC40MR-1 - ОСНОВН. КЛАПАН (КОРПУС КРЕПЛЕНИЯ) (ДЛЯ НАВЕСН.ОБОРУД.)(№-) ГИДРАВЛИКА
1
2
2
2
2
2
3
3
3
4
5
6
7
7
8
9
10
11
12
13
14
15
16
17
18
19
20
21
22
23
24
25
26
27
28
29
29
30
30
31
31
32
32
33
33
FIT
1:1
100%

Артикул

Название

Примечание

Количество

1

22M-60-11320

BRACKET

2

203-62-42770

CUSHION

3

07000-13025

O-RING

4

566-35-42430

PLATE

5

01011-81225

BOLT

6

01011-81210

BOLT

7

01643-31232

WASHER

8

20T-60-81540

BRACKET

9

20T-60-81550

BRACKET

10

201-910-4170

YOKE

11

04205-10520

PIN

12

04052-10530

PIN

13

20T-43-81140

YOKE

14

04205-10516

PIN

15

04052-10530

PIN

16

22M-60-11311

BRACKET

17

22M-43-11450

SHAFT

18

195-61-34120

BEARING

19

20T-43-81120

LEVER

20

04010-00519

KEY

21

01010-80830

BOLT

22

01602-20825

WASHER

23

20T-43-81130

SHAFT

24

195-61-34120

BEARING

25

20T-43-81120

LEVER

26

04010-00519

KEY

27

01010-80830

BOLT

28

01602-20825

WASHER

29

07040-11409

PLUG

30

07002-01423

O-RING

31

07040-11812

PLUG

32

07002-11823

O-RING

33

22M-62-13471

JOINT

33

20G-62-15770

NIPPLE

Выбрано товаров: 0