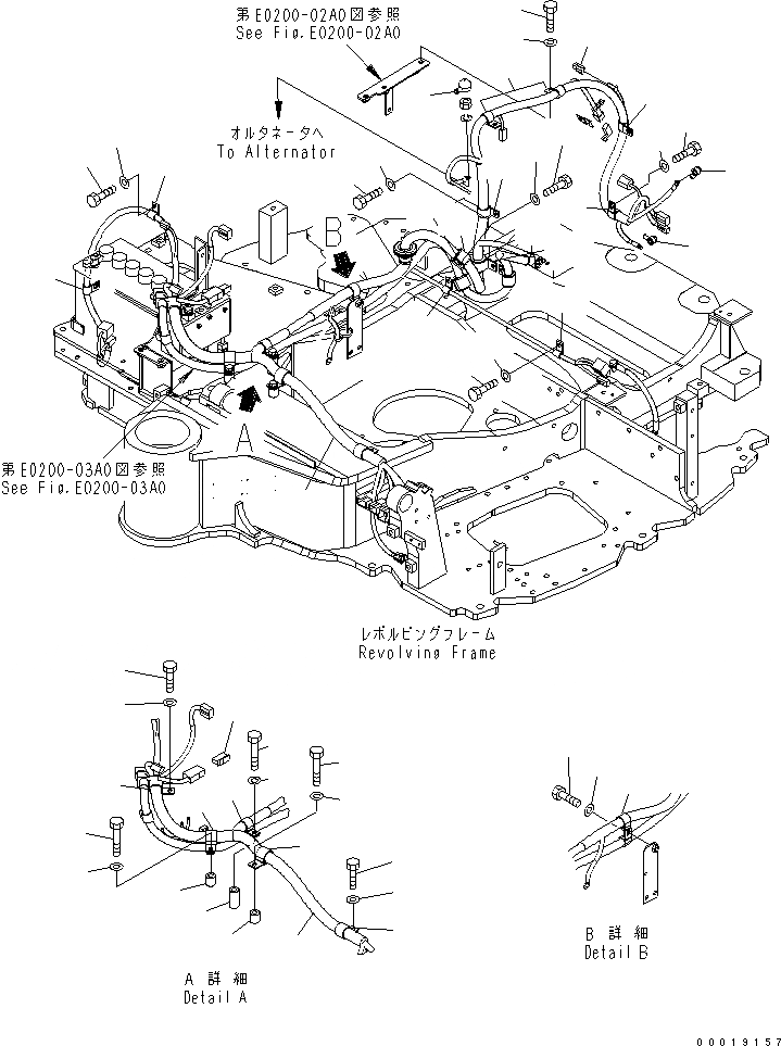
Запчасти Komatsu PC40MR-2-AC ЭЛЕКТРОПРОВОДКА (Э/ПРОВОДКА) (/) ЭЛЕКТРИКА

Схема запчастей Komatsu PC40MR-2-AC - ЭЛЕКТРОПРОВОДКА (Э/ПРОВОДКА) (/) ЭЛЕКТРИКА
1
1
2
3
4
5
5
6
7
8
9
9
10
10
11
11
12
12
13
14
15
16
17
18
19
20
20
21
22
23
24
25
26
26
27
27
28
29
30
30
31
32
33
34
35
36
36
36
37
38
39
40
FIT
1:1
100%

Артикул

Название

Примечание

Количество

1

22M-06-21111

WIRING HARNESS

2

21X-06-31530

DIODE

3

20T-06-81230

FUSIBLE LINK

4

08038-10525

CAP

5

08038-10519

CAP

6

04434-52712

CLIP

7

01010-81020

BOLT

8

01643-31032

WASHER

9

04434-52712

CLIP

10

01010-81050

BOLT

11

01643-31032

WASHER

12

195-33-11220

SPACER

13

04434-52312

CLIP

14

01010-81065

BOLT

15

01643-31032

WASHER

16

22M-06-21520

SPACER

17

04434-52712

CLIP

18

01010-81020

BOLT

19

01643-31032

WASHER

20

04434-51412

CLIP

21

01010-81020

BOLT

22

01643-31032

WASHER

23

04434-52312

CLIP

24

01010-81020

BOLT

25

01643-31032

WASHER

26

07095-20523

CUSHION

27

04434-53212

CLIP

28

01010-81020

BOLT

29

01643-31032

WASHER

30

04434-51012

CLIP

31

01010-81020

BOLT

32

01643-31032

WASHER

33

04434-52312

CLIP

34

01010-81020

BOLT

35

01643-31032

WASHER

36

04434-51912

CLIP

37

01010-81020

BOLT

38

01643-31032

WASHER

39

01010-80820

BOLT

40

01643-30823

WASHER

Выбрано товаров: 40