Качественные детали и логистика
Оригинальные и аналоговые запчасти с доставкой по России, Казахстану и Беларуси
©2022 PartSell ООО "Система" ИНН 2463123282 ОГРН 1212400004838
Центральный офис: г. Красноярск, Академика Киренского, д.87, пом.4
Телефон: 8 (800) 777-65-74 Email: zakaz@partsell.ru
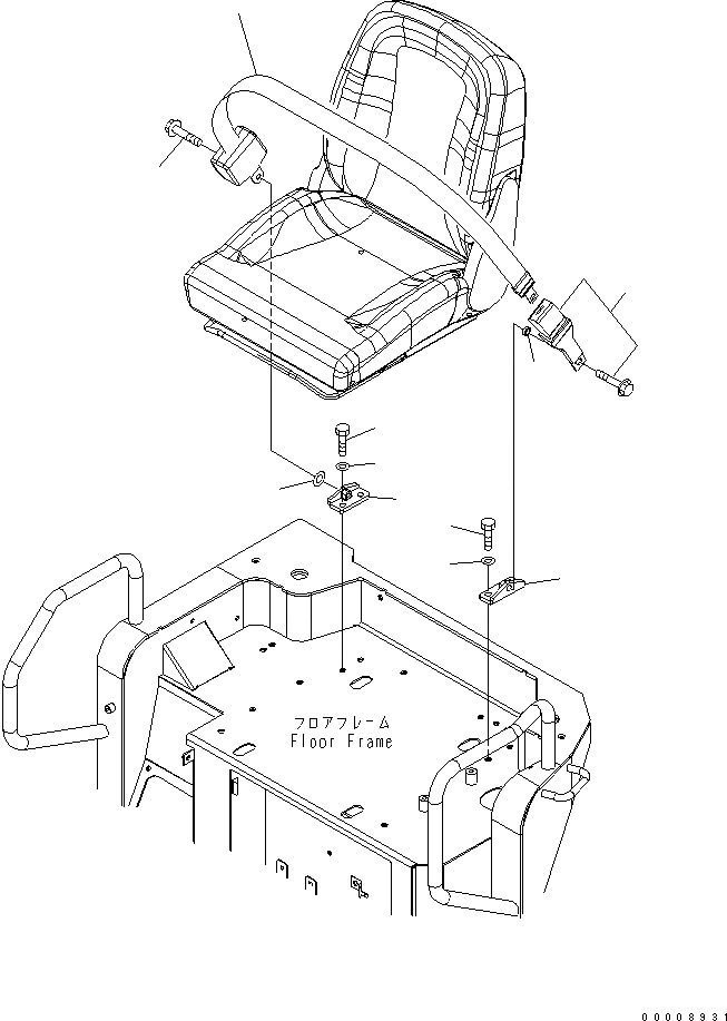
РЕМЕНЬ БЕЗОПАСНОСТИ
№
Артикул
Название
Примечание
Количество
1
22B-57-11812
BELT¤ LAP
2
22B-57-11830
SPACER
3
01643-31032
WASHER
4
22M-57-21271
BRACKET
5
22M-57-21350
6
01010-D1025
BOLT
7
01643-71032
Выбрано товаров: 0