Запчасти Komatsu PC40MR-2 КОНДИЦ. ВОЗДУХА (ШЛАНГИ ОБОГРЕВАТЕЛЯ И PULLY) КАБИНА ОПЕРАТОРА И СИСТЕМА УПРАВЛЕНИЯ

Схема запчастей Komatsu PC40MR-2 - КОНДИЦ. ВОЗДУХА (ШЛАНГИ ОБОГРЕВАТЕЛЯ И PULLY) КАБИНА ОПЕРАТОРА И СИСТЕМА УПРАВЛЕНИЯ
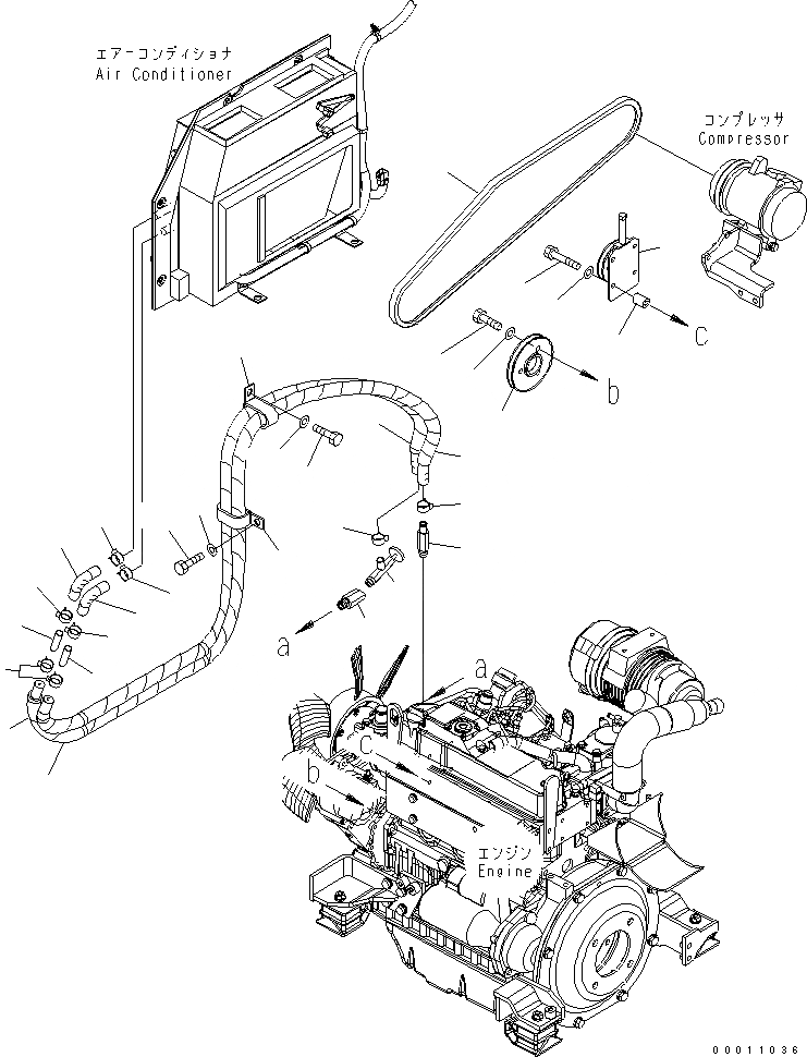
1
2
3
4
4
5
5
6
6
7
7
7
7
7
8
9
10
11
12
13
14
14
15
15
16
17
18
19
20
21
22
23
FIT
1:1
100%

Артикул

Название

Примечание

Количество

1

09482-50000

VALVE

2

22M-977-2330

NIPPLE

3

22M-977-2312

NIPPLE

4

11Y-09-11160

CLIP

5

09483-20450

HOSE

6

09484-00450

CONNECTOR

7

11Y-09-11160

CLIP

8

22M-977-1150

CLIP

9

01010-81020

BOLT

10

01643-31032

WASHER

11

22M-977-1140

CLIP

12

01010-81020

BOLT

13

01643-31032

WASHER

14

22M-979-2351

HOSE

15

22M-979-2361

HOSE

16

20T-978-8280

IDLE PULLEY ASS'Y

17

6130-12-4581

SPACER

18

01010-80850

BOLT

19

01643-30823

WASHER

20

20U-978-2340

PULLEY

21

01010-81025

BOLT

22

01643-31032

WASHER

23

20T-978-8480

V-BELT

Выбрано товаров: 23