Запчасти Komatsu PC40MR-2 ПОКРЫТИЕ ПОЛА (ДЛЯ НАВЕСА) (ДЛЯ ПОВОРОТН. ОТВАЛА С ИЗМ. УГЛОМ) (ДЛЯ СЕВ. АМЕРИКИ)(№8-9) КАБИНА ОПЕРАТОРА И СИСТЕМА УПРАВЛЕНИЯ

Схема запчастей Komatsu PC40MR-2 - ПОКРЫТИЕ ПОЛА (ДЛЯ НАВЕСА) (ДЛЯ ПОВОРОТН. ОТВАЛА С ИЗМ. УГЛОМ) (ДЛЯ СЕВ. АМЕРИКИ)(№8-9) КАБИНА ОПЕРАТОРА И СИСТЕМА УПРАВЛЕНИЯ
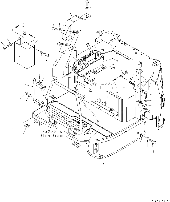
1
2
2
3
3
4
5
6
7
8
8
9
9
10
11
12
13
13
14
14
15
15
16
17
18
19
20
21
21
22
22
23
23
FIT
1:1
100%

Артикул

Название

Примечание

Количество

1

22M-910-2480

COVER

2

01245-00816

SCREW

3

01643-70823

WASHER

4

22M-910-2470

COVER

5

22M-910-2460

BRACKET

6

01010-81020

BOLT

7

01643-31032

WASHER

8

01245-01016

SCREW

9

01643-71032

WASHER

10

01580-10605

NUT

11

01643-30623

WASHER

12

08034-40521

BAND

13

04434-51510

CLIP

14

01010-80816

BOLT

15

01643-30823

WASHER

16

22M-54-26991

BRACKET

17

01010-81020

BOLT

18

01643-31032

WASHER

19

01643-30823

WASHER

20

22M-910-2520

STAY

21

07283-32738

CLIP

22

01643-31032

WASHER

23

01597-01009

NUT

Выбрано товаров: 23