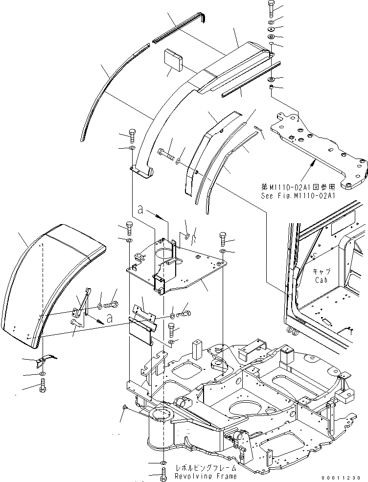
Запчасти Komatsu PC40MR-2 КРЫШКА АККУМУЛЯТОРА (ДЛЯ КАБИНЫ) ЧАСТИ КОРПУСА

Схема запчастей Komatsu PC40MR-2 - КРЫШКА АККУМУЛЯТОРА (ДЛЯ КАБИНЫ) ЧАСТИ КОРПУСА
1
2
3
4
5
6
7
8
9
10
11
12
13
14
15
16
17
18
19
20
21
22
23
24
25
26
27
28
29
30
31
32
32
33
34
35
36
37
38
39
40
41
42
43
FIT
1:1
100%

Артикул

Название

Примечание

Количество

|$2

22M-54-21702

COVER ASS'Y

1

22M-54-21711

COVER

2

22M-54-21742

BRACKET

3

01010-81020

BOLT

4

01643-31032

WASHER

5

21U-54-31651

HINGE ASS'Y

6

01010-81020

BOLT

7

01643-31032

WASHER

8

01010-81020

BOLT

9

01643-31032

WASHER

10

22M-54-21731

HINGE

11

01010-81020

BOLT

12

01643-31032

WASHER

13

22M-54-21651

BRACKET

14

01010-81230

BOLT

15

01643-31232

WASHER

16

01010-81240

BOLT

17

01643-31232

WASHER

18

01010-81635

BOLT

19

01643-31645

WASHER

20

04205-30820

PIN

21

01643-30823

WASHER

22

04052-20833

PIN

|$33

22M-54-26603

COVER ASS'Y

23

COVER

24

22M-54-21620

SEAL

25

22M-54-21680

SEAL

26

22M-54-22390

SEAL

27

22M-54-22780

SHEET

28

01010-81245

BOLT

29

01643-31232

WASHER

30

01010-81225

BOLT

31

01643-31232

WASHER

32

203-62-42770

CUSHION

33

566-35-42430

PLATE

34

07000-13025

O-RING

35

22M-54-21370

SPACER

|$50

22M-54-26702

COVER ASS'Y

|$51

22M-54-26701

COVER ASS'Y

36

COVER

36

COVER

37

22M-54-26721

SEAL

37

22M-54-26720

SEAL

38

22M-54-26732

SEAL

38

22M-54-26731

SEAL

39

22M-54-26740

SEAL

40

22M-54-26751

SEAL

40

22M-54-26750

SEAL

41

01010-D1075

BOLT

42

01643-71032

WASHER

43

20T-54-74510

CAP

Выбрано товаров: 0