Запчасти Komatsu PC40MR-2 ОСНОВНАЯ РАМА СМАЗЫВАЮЩ. ЛИНИЯ ОСНОВНАЯ РАМА И ЕЕ ЧАСТИ

Схема запчастей Komatsu PC40MR-2 - ОСНОВНАЯ РАМА СМАЗЫВАЮЩ. ЛИНИЯ ОСНОВНАЯ РАМА И ЕЕ ЧАСТИ
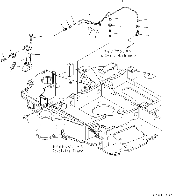
1
2
3
4
5
6
7
8
9
9
10
10
11
12
13
14
15
16
17
18
19
20
21
FIT
1:1
100%

Артикул

Название

Примечание

Количество

1

07020-00000

FITTING

2

20R-46-11160

CONNECTOR

3

07832-00410

NUT

4

07831-00411

SLEEVE

5

08017-30705

CONDUIT

6

08017-30708

CONDUIT

7

22M-46-21420

TUBE

8

22M-46-21430

TUBE

9

07832-00410

NUT

10

07831-00411

SLEEVE

11

20N-46-41231

CONNECTOR

12

20R-46-11150

ELBOW

13

04435-51010

CLIP

14

01010-81020

BOLT

15

01643-31032

WASHER

16

22M-46-21610

BRACKET

17

01010-81225

BOLT

18

01643-31232

WASHER

19

203-54-63230

CLAMP

20

01023-70614

SCREW

21

22M-46-21620

SEAL

Выбрано товаров: 0