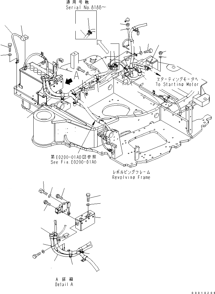
Запчасти Komatsu PC40MR-2 ЭЛЕКТРОПРОВОДКА (КАБЕЛЬ И БЛОК РЕЛЕ) ЭЛЕКТРИКА

Схема запчастей Komatsu PC40MR-2 - ЭЛЕКТРОПРОВОДКА (КАБЕЛЬ И БЛОК РЕЛЕ) ЭЛЕКТРИКА
1
1
1
2
2A
3
4
5
6
7
8
9
10
11
11
11
11
12
12
13
13
14
15
16
17
18
19
20
21
22
23
24
25
26
FIT
1:1
100%

Артикул

Название

Примечание

Количество

1

22M-06-22112

CABLE

|1

22M-06-22111

CABLE

2

08038-04030

CAP

2A

08037-11825

GROMMET

3

08038-42009

CAP

4

20S-06-13230

TERMINAL COVER

5

08037-11825

GROMMET

6

07095-20418

CUSHION

7

08034-20414

BAND

8

22M-06-22121

CABLE

9

01010-81020

BOLT

10

01643-31032

WASHER

11

04434-51912

CLIP

12

04434-52712

CLIP

13

07095-20418

CUSHION

14

01010-81020

BOLT

15

01643-31032

WASHER

16

01010-81020

BOLT

17

01643-31032

WASHER

18

01023-60614

SCREW

19

01023-60616

SCREW

20

01252-70620

BOLT

21

01602-20619

WASHER

22

22M-06-21511

BRACKET

23

01601-20619

WASHER

24

01580-10605

NUT

25

01643-30823

WASHER

26

01580-10806

NUT

Выбрано товаров: 28