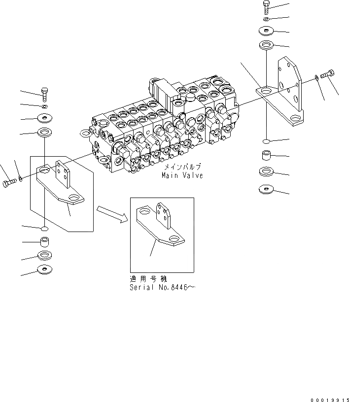
Запчасти Komatsu PC40MR-2 ОСНОВН. КЛАПАН (КОРПУС) ГИДРАВЛИКА

Схема запчастей Komatsu PC40MR-2 - ОСНОВН. КЛАПАН (КОРПУС) ГИДРАВЛИКА
1
2
3
4
4
5
6
7
7
7
7
8
8
9
9
9
9
10
10
11
11
12
12
FIT
1:1
100%

Артикул

Название

Примечание

Количество

1

22M-60-22111

BRACKET

2

01010-81030

BOLT

3

01643-31032

WASHER

4

22M-60-22122

BRACKET

|4

22M-60-22121

BRACKET

5

01010-80825

BOLT

6

01643-30823

WASHER

7

201-910-6730

CUSHION

8

07002-12434

O-RING

9

415-64-13120

WASHER

10

22M-60-22130

COLLAR

11

01010-81040

BOLT

12

01643-31032

WASHER

Выбрано товаров: 13