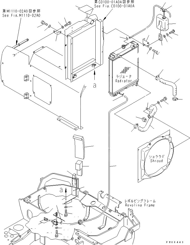
Запчасти Komatsu PC40R-8 ОХЛАЖД-Е (ТРУБЫ И КРЕПЛЕНИЕ)(№7-) СИСТЕМА ОХЛАЖДЕНИЯ

Схема запчастей Komatsu PC40R-8 - ОХЛАЖД-Е (ТРУБЫ И КРЕПЛЕНИЕ)(№7-) СИСТЕМА ОХЛАЖДЕНИЯ
1
2
2
3
4
4
5
6
7
8
9
10
10
11
12
13
14
15
16
17
18
19
20
21
21
22
22
23
24
25
26
27
28
29
30
31
32
33
33
34
FIT
1:1
100%

Артикул

Название

Примечание

Количество

1

22M-03-11310

HOSE

2

207-09-11110

CLAMP

3

20T-03-81322

HOSE

4

207-09-11110

CLAMP

5

196-916-1590

CLIP

6

01010-80812

BOLT

7

01643-30823

WASHER

8

22M-03-11480

TANK,RESERVE

|8

20T-03-81360

TANK,RESERVE

9

20T-03-81370

CONDUCTION ASS'Y

10

20T-03-71450

CLAMP

11

20T-03-71420

BRACKET

12

01220-40616

SCREW

13

01602-20619

WASHER

14

01643-30623

WASHER

15

20T-03-81341

BRACKET

16

01010-80820

BOLT

17

01643-30823

WASHER

18

01010-81020

BOLT

19

01643-31032

WASHER

20

20T-03-81290

BRACKET

21

01010-81020

BOLT

22

01643-31032

WASHER

23

20T-54-82371

SHEET

24

20T-46-82161

SHEET

25

20T-46-82171

SHEET

26

20T-46-82210

SHEET

27

20T-46-82440

SHEET

28

21U-03-31370

BOSS,COCK

29

21U-03-31181

COCK

30

01010-81020

BOLT

31

01643-31032

WASHER

32

20S-03-81410

HOSE

|32

6138-85-8531

HOSE

33

206-03-43340

CLIP

34

08037-02512

GROMMET

Выбрано товаров: 36