Запчасти Komatsu PC40R-8 КОНДИЦ. (/) КАБИНА ОПЕРАТОРА И СИСТЕМА УПРАВЛЕНИЯ

Схема запчастей Komatsu PC40R-8 - КОНДИЦ. (/) КАБИНА ОПЕРАТОРА И СИСТЕМА УПРАВЛЕНИЯ
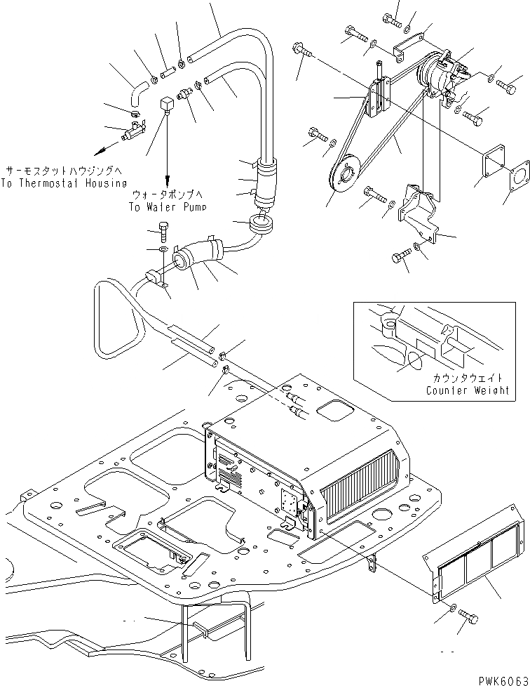
1
2
3
4
5
5
6
7
8
9
10
11
12
13
13
14
15
16
17
18
19
20
21
22
23
24
25
26
27
27
27
27
28
28
28
28
28
28
29
30
31
32
32
33
33
34
34
35
36
37
38
39
40
FIT
1:1
100%

Артикул

Название

Примечание

Количество

1

20T-978-8130

COMPRESSOR

2

20T-978-8140

BRACKET

3

01010-80830

BOLT

4

01010-80840

BOLT

5

01643-30823

WASHER

6

01010-80855

BOLT

7

01643-30823

WASHER

8

01010-81035

BOLT

9

01643-31032

WASHER

10

20T-978-8190

STAY

11

01010-80855

BOLT

12

01010-80830

BOLT

13

01643-30823

WASHER

14

20T-978-8280

IDLE PULLEY ASS'Y

15

D4240-01871

COVER

16

D4240-01883

PACKING

17

D9189-91980

BOLT

18

20U-978-2340

PULLEY

19

01010-81025

BOLT

20

01643-31032

WASHER

21

20T-978-8480

V-BELT

|21

20U-978-2410

V-BELT

22

09482-50000

VALVE

23

154-865-1160

ELBOW

24

20T-54-42510

NIPPLE

25

09483-20450

HOSE

26

09484-00450

CONNECTOR

27

09483-00417

HOSE

28

09480-10100

CLAMP

29

176-911-4170

CLIP

30

01010-81020

BOLT

31

01643-31032

WASHER

32

203-62-52210

RUBBER

33

08034-20823

BAND

34

08034-00823

BAND

35

20T-62-81140

GROMMET

36

20T-54-81810

SHEET

37

20T-978-8420

SHEET

38

22U-54-13960

COVER ASS'Y

|38

22U-54-13400

COVER ASS'Y

39

01010-D0820

BOLT

40

01643-70823

WASHER

Выбрано товаров: 42