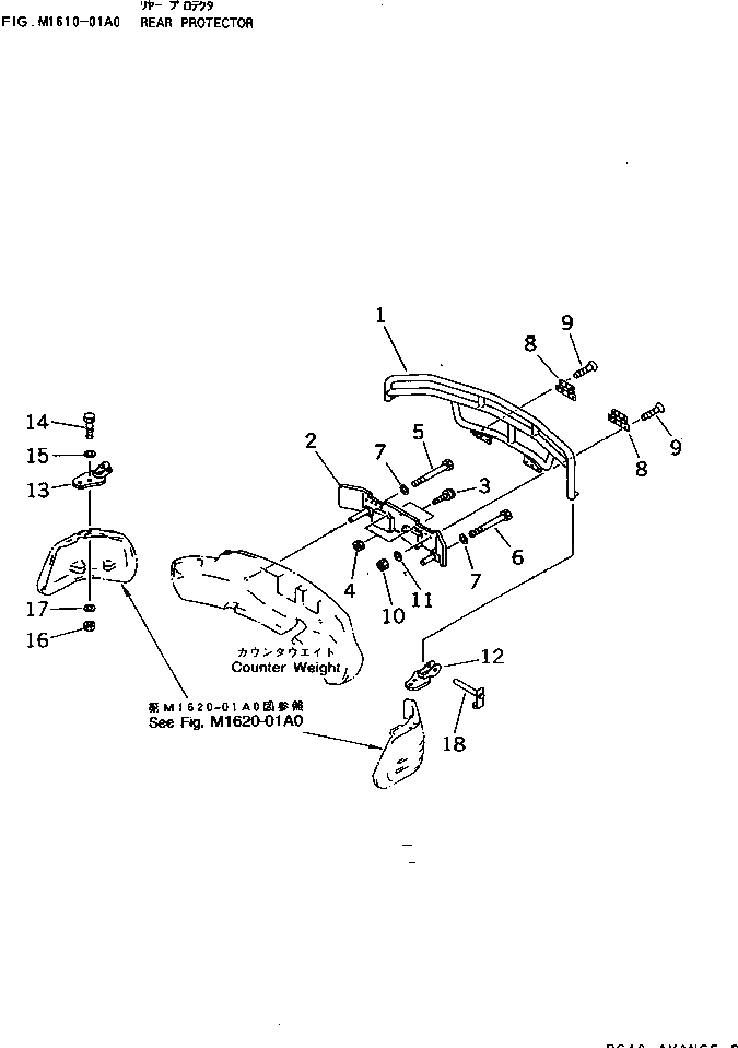
Запчасти Komatsu PC40T-7 ЗАДН. ПРОТЕКТОР ЧАСТИ КОРПУСА

Схема запчастей Komatsu PC40T-7 - ЗАДН. ПРОТЕКТОР ЧАСТИ КОРПУСА
FIT
1:1
100%

Артикул

Название

Примечание

Количество

1

20T-46-77511

GUARD

2

20T-46-77611

BRACKET

3

20Y-54-11611

STOPPER

4

01580-11008

NUT

5

01011-51275

BOLT

6

01011-51235

BOLT

7

01643-31232

WASHER

8

203-54-52412

HINGE

9

01240-01235

SCREW

10

01643-31232

WASHER

11

01580-11210

NUT

12

20T-46-77531

PLATE,L.H.

13

20T-46-77541

PLATE,R.H.

14

01010-51245

BOLT

15

20Y-54-12670

WASHER

16

01580-11210

NUT

17

20Y-54-12670

WASHER

18

20T-46-77660

PIN

Выбрано товаров: 18