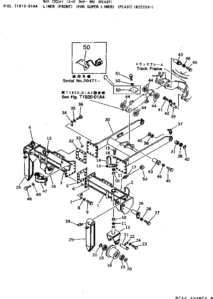
Запчасти Komatsu PC40T-7 LINER (ПЕРЕДН.) (ДЛЯ SUPER LINER) (PCT)(№9-) РАБОЧЕЕ ОБОРУДОВАНИЕ

Схема запчастей Komatsu PC40T-7 - LINER (ПЕРЕДН.) (ДЛЯ SUPER LINER) (PCT)(№9-) РАБОЧЕЕ ОБОРУДОВАНИЕ
FIT
1:1
100%

Артикул

Название

Примечание

Количество

1

20T-914-7710

BRACKET,L.H.

|1

20T-914-7750

BRACKET,L.H. (FOR BROAD GAUGE)

2

20T-914-4810

PIN (WELDED)

3

20T-914-7720

BRACKET,R.H.

|3

20T-914-7760

BRACKET,R.H. (FOR BROAD GAUGE)

4

20T-914-4810

PIN (WELDED)

5

20T-914-4763

PLATE

6

21F-914-1871

BOSS

7

20T-914-4782

PLATE

8

130-43-64260

COLLAR

9

01010-51260

BOLT

|9

01010-51265

BOLT

10

07143-10503

BUSHING

11

07145-00050

SEAL

12

20T-914-4831

BRACKET

13

20T-914-4820

PLATE

14

20T-914-4810

PIN (WELDED)

15

01010-51025

BOLT

16

01602-21030

WASHER

17

07020-00000

FITTING,GREASE

18

20T-914-4851

ROLLER

|18

20T-914-4860

ROLLER,(FOR BROAD GAUGE)

19

06002-06309

BEARING

20

130-817-4260

WASHER

21

20G-47-13170

PIN

22

04082-00212

LOCK

23

01010-51225

BOLT

24

01643-31232

WASHER

25

20T-914-4871

BRACKET

26

21X-70-11350

PIN

27

01010-51635

BOLT

28

20T-70-41160

SPACER

29

07020-00000

FITTING,GREASE

|30

20T-914-0021

BRACKET ASS'Y

|30

20T-914-0020

BRACKET ASS'Y

30

BRACKET

|30

BRACKET

31

07144-10304

BUSHING

32

20T-914-4763

PLATE

33

21F-914-1871

BOSS

34

20T-914-4782

PLATE

35

130-43-64260

COLLAR

36

01010-51260

BOLT

|36

01010-51265

BOLT

37

07020-00675

FITTING,GREASE

38

07145-00035

SEAL,DUST

39

20S-71-31221

PIN

40

20R-70-11270

SPACER¤ 1.0MM

41

01010-51225

BOLT

42

20S-70-31180

SPACER

43

20T-71-41211

PIN

44

20S-71-11230

SHIM¤ 1.0MM

|44

20S-71-11240

SPACER¤ 2.3MM

45

01010-51220

BOLT

46

20S-70-31190

SPACER

47

20T-914-7910

DRAWBAR ASS'Y

48

01010-52050

BOLT

49

01643-32060

WASHER

50

20T-914-7650

COVER

|50

20T-71-41320

COVER

51

01010-51020

BOLT

52

01643-31032

WASHER

53

09415-02520

CAP

Выбрано товаров: 63