Запчасти Komatsu PC410-5 НИЖН. КРЫШКА (ДЛЯ ЦЕНТР. РАМА) (С РЕГУЛЯТОРОМ) ХОДОВАЯ

Схема запчастей Komatsu PC410-5 - НИЖН. КРЫШКА (ДЛЯ ЦЕНТР. РАМА) (С РЕГУЛЯТОРОМ) ХОДОВАЯ
FIT
1:1
100%

Артикул

Название

Примечание

Количество

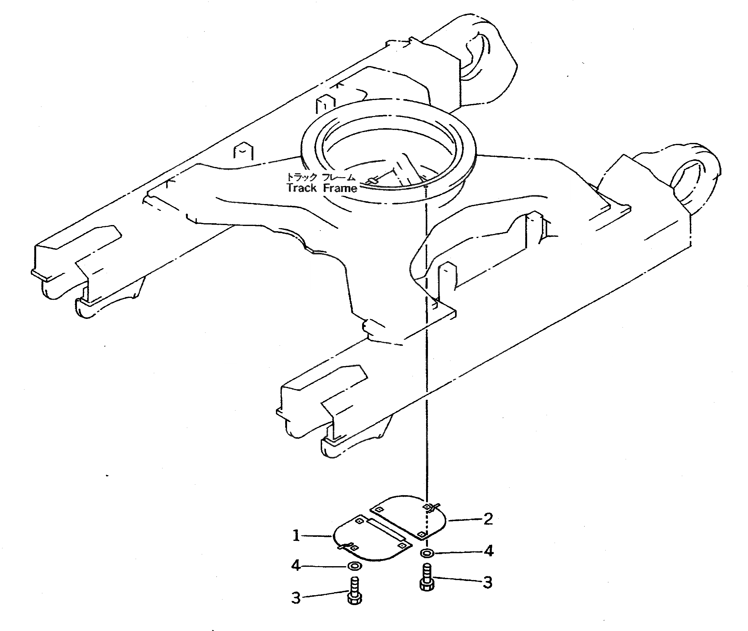
G-1

208-30-X4120

TRACK FRAME GROUP

1

205-30-71410

COVER

2

205-30-71420

COVER

3

01010-51235

BOLT

4

01643-31232

WASHER

Выбрано товаров: 5