Запчасти Komatsu PC410-5 ГИДР. БАК.(№8-) УПРАВЛ-Е РАБОЧИМ ОБОРУДОВАНИЕМ

Схема запчастей Komatsu PC410-5 - ГИДР. БАК.(№8-) УПРАВЛ-Е РАБОЧИМ ОБОРУДОВАНИЕМ
FIT
1:1
100%

Артикул

Название

Примечание

Количество

|$0

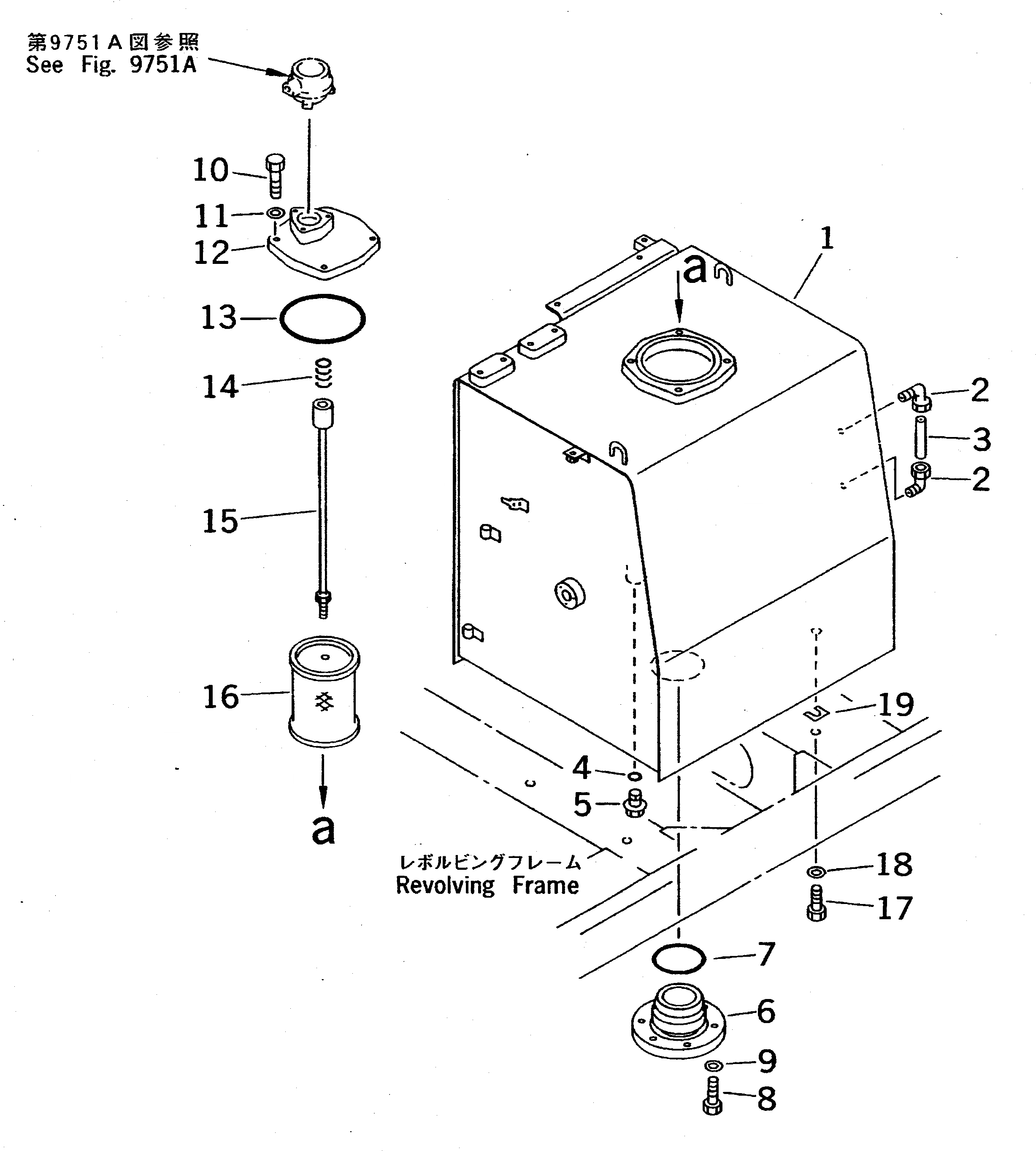
208-60-00100

HYDRAULIC TANK ASS'Y

1

TANK,HYDRAULIC

2

203-60-31100

ELBOW ASS'Y

3

203-60-31160

TUBE

4

07002-02434

O-RING

5

07044-12412

PLUG

6

207-62-52291

FLANGE

7

07000-02125

O-RING

8

01010-51245

BOLT

9

01643-31232

WASHER

10

01010-51035

BOLT

11

01643-31032

WASHER

12

208-60-51252

COVER

13

07000-05180

O-RING

14

12R-60-11230

SPRING

15

207-60-51161

SUPPORT

16

207-60-51200

STRAINER

17

01010-51635

BOLT

18

01643-31645

WASHER

19

195-03-11570

SHIM, 1.0MM

Выбрано товаров: 20