Запчасти Komatsu PC410LC-5 ПОВОРОТН. МИГАЮЩ. СИГНАЛ ЭЛЕКТРОПРОВОДКА (ШАССИ) КОМПОНЕНТЫ ДВИГАТЕЛЯ И ЭЛЕКТРИКА

Схема запчастей Komatsu PC410LC-5 - ПОВОРОТН. МИГАЮЩ. СИГНАЛ ЭЛЕКТРОПРОВОДКА (ШАССИ) КОМПОНЕНТЫ ДВИГАТЕЛЯ И ЭЛЕКТРИКА
FIT
1:1
100%

Артикул

Название

Примечание

Количество

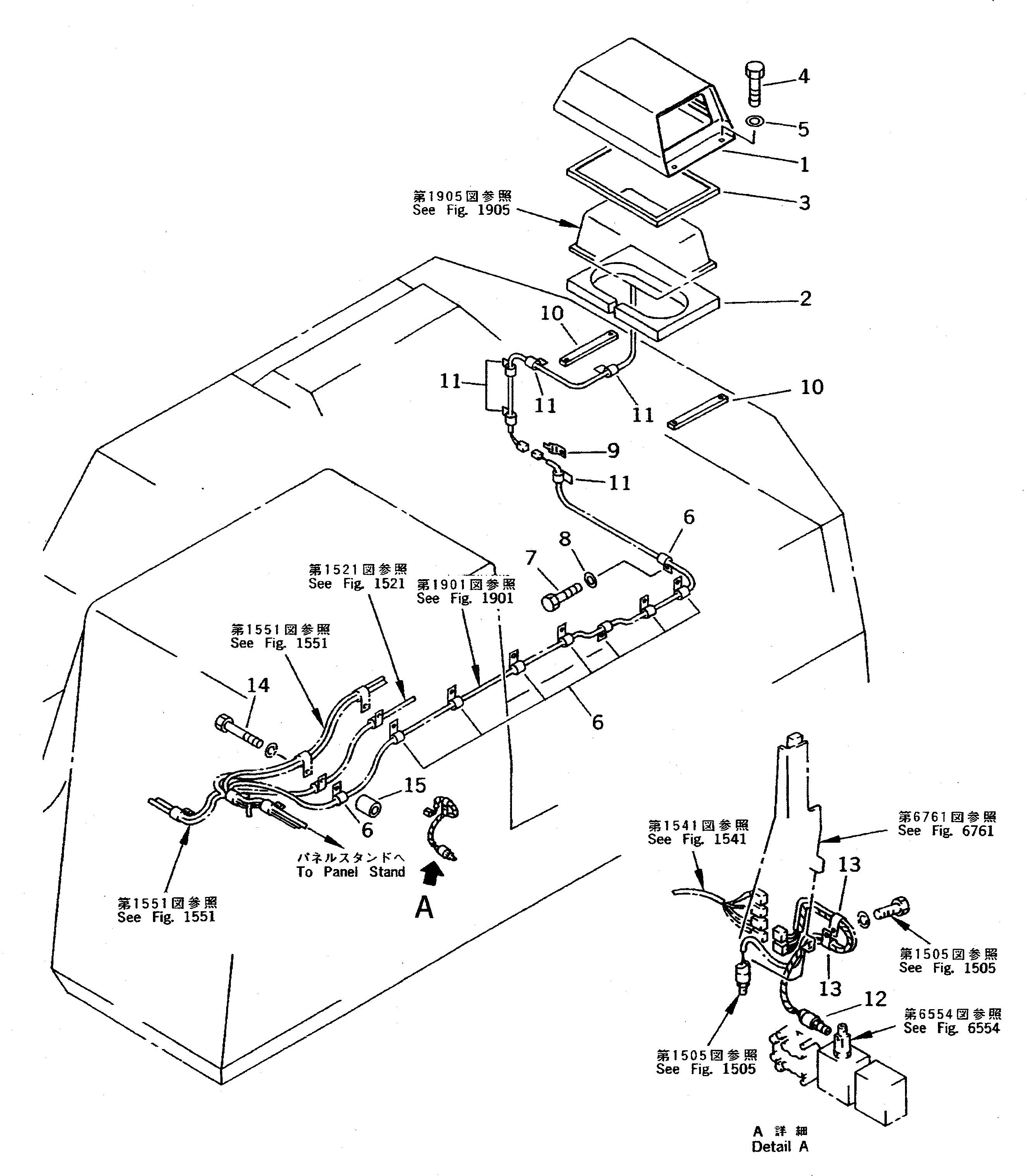
G-1

208-06-X9220

FLASHER GROUP

1

20Y-06-15610

COVER

2

20Y-06-15620

CUSHION

3

20Y-06-15630

CUSHION

4

01010-51225

BOLT

5

01643-31232

WASHER

6

08036-01014

CLIP

7

01010-51220

BOLT

8

01643-31232

WASHER

9

08053-01512

CLIP (WELDED)

|9

7821-92-5110

BRACKET (WELDED)

10

569-02-41280

BRACKET (WELDED)

11

08036-41210

CLIP (WELDED)

12

20Y-06-15190

SWITCH

13

08036-01814

CLIP

14

01010-51255

BOLT

15

11T-27-11180

SPACER

Выбрано товаров: 17