Запчасти Komatsu PC410LC-5 ДОПОЛН. ГИДРОЛИНИЯ (NIPPON PNEUMATIC ГИДРОМОЛОТ) (/) РАБОЧЕЕ ОБОРУДОВАНИЕ (ЭКСКАВАТ.)

Схема запчастей Komatsu PC410LC-5 - ДОПОЛН. ГИДРОЛИНИЯ (NIPPON PNEUMATIC ГИДРОМОЛОТ) (/) РАБОЧЕЕ ОБОРУДОВАНИЕ (ЭКСКАВАТ.)
FIT
1:1
100%

Артикул

Название

Примечание

Количество

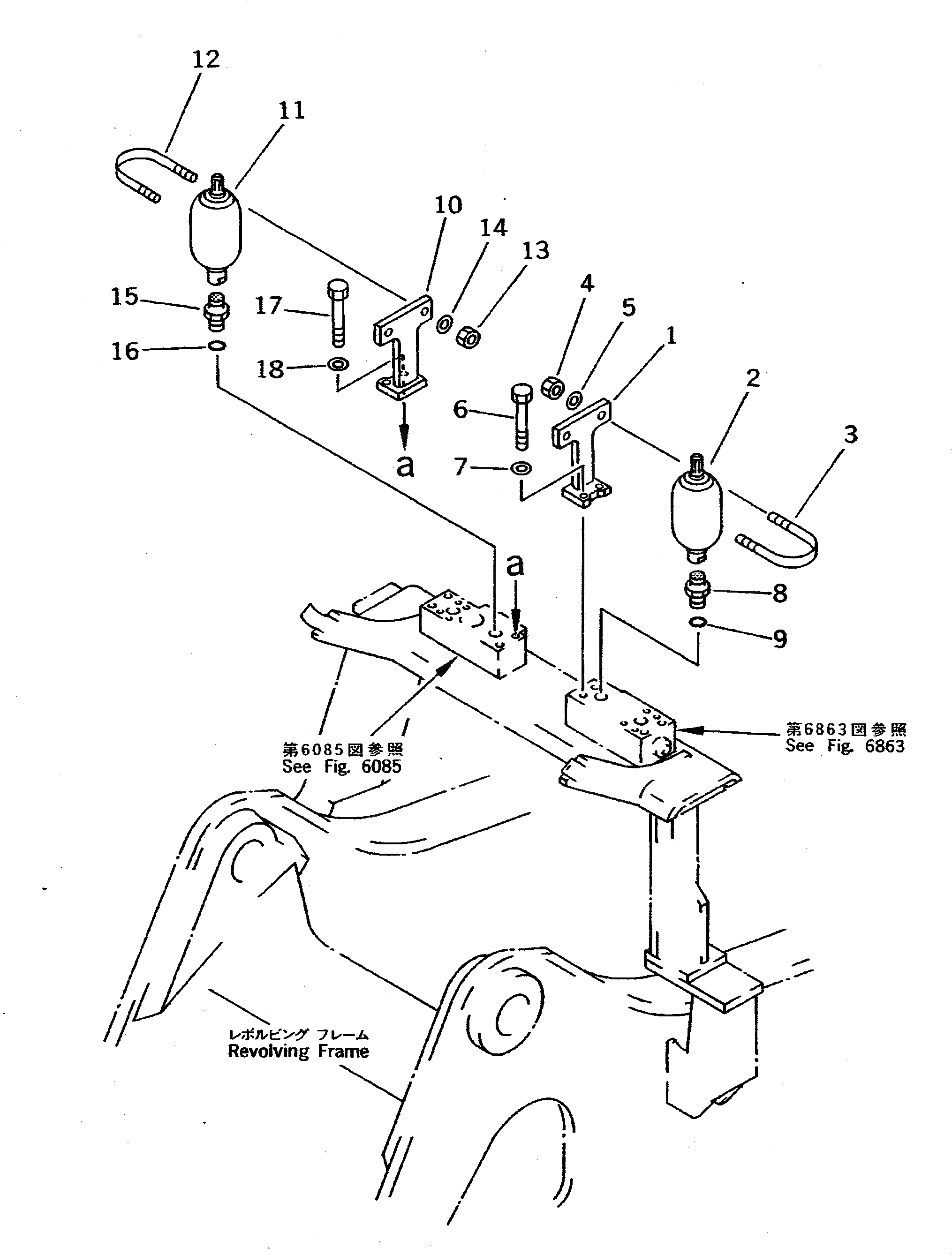
G-1

208-970-X440

PIPING GROUP

1

207-970-1990

BRACKET

2

205-970-5570

ACCUMULATOR

3

07283-31193

CLIP

4

01599-01214

NUT

5

01643-31232

WASHER

6

01011-51220

BOLT

7

01643-31232

WASHER

8

205-970-5550

NIPPLE

9

07002-12434

O-RING

10

207-970-1990

BRACKET

11

205-970-5580

ACCUMULATOR

12

07283-31193

CLIP

13

01599-01214

NUT

14

01643-31232

WASHER

15

205-970-5550

NIPPLE

16

07002-12434

O-RING

17

01011-51220

BOLT

18

01643-31232

WASHER

Выбрано товаров: 19