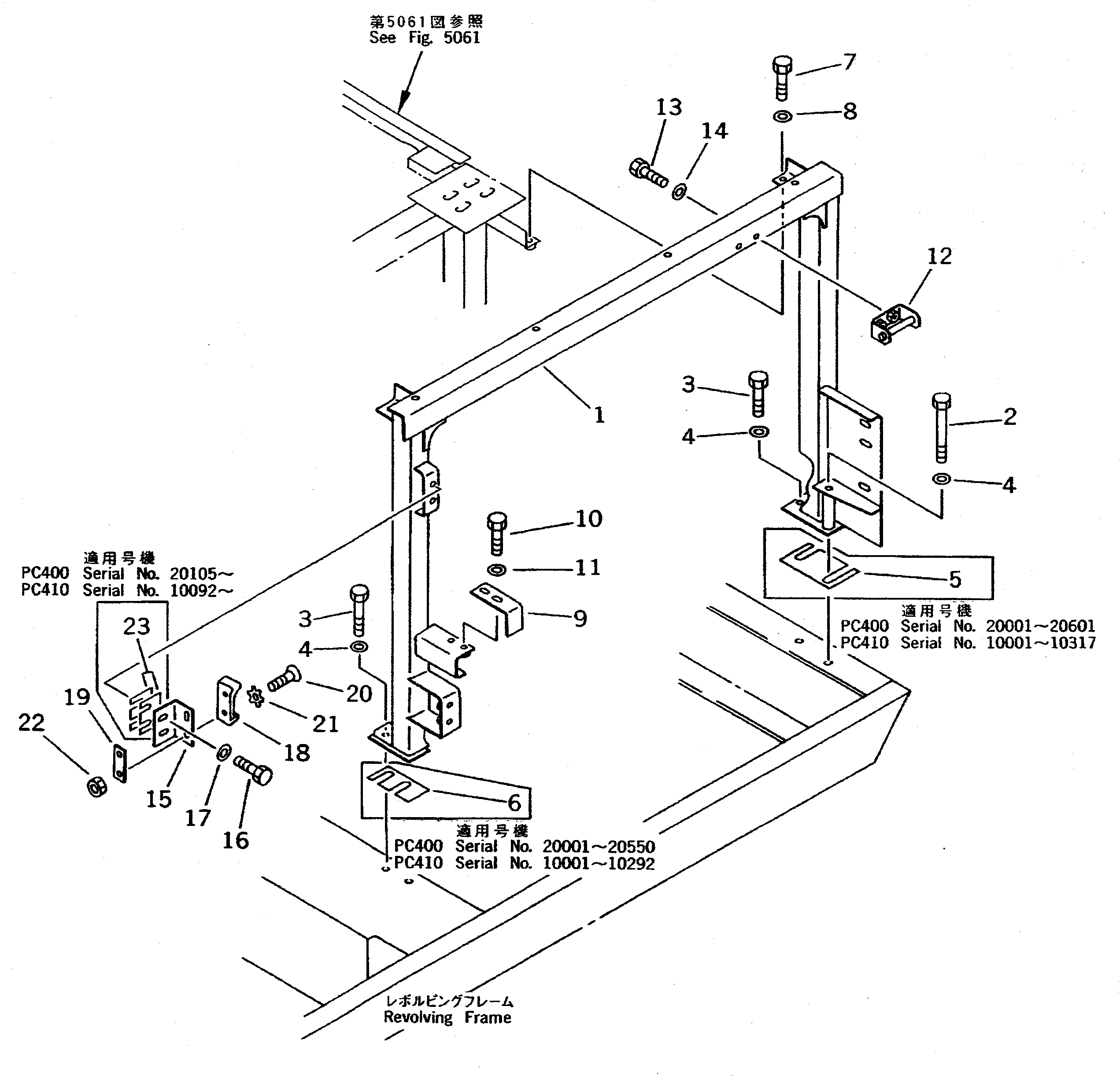
Запчасти Komatsu PC410LC-5 РАМА (ДЛЯ ЛЕВ. COVER) ЧАСТИ КОРПУСА

Схема запчастей Komatsu PC410LC-5 - РАМА (ДЛЯ ЛЕВ. COVER) ЧАСТИ КОРПУСА
FIT
1:1
100%

Артикул

Название

Примечание

Количество

1

208-54-51691

FRAME

2

01011-51230

BOLT

3

01010-51240

BOLT

4

01643-31232

WASHER

5

207-54-52550

PLATE

6

207-54-52560

PLATE

7

01010-51240

BOLT

7

01010-51230

BOLT

8

01643-31232

WASHER

9

207-54-55130

PLATE

9

207-54-51481

PLATE

10

01010-51025

BOLT

11

01643-31032

WASHER

12

207-54-31870

BRACKET

13

01010-51025

BOLT

14

01643-31032

WASHER

15

207-54-51611

PLATE

16

01010-51025

BOLT

17

01643-31032

WASHER

18

566-54-13410

STRIKER

19

203-54-56790

PLATE

20

20Y-54-11760

SCREW

21

566-54-13570

WASHER

22

01580-00806

NUT

23

207-54-52690

PLATE

23

207-54-52690

PLATE

Выбрано товаров: 26