Запчасти Komatsu PC45-1 ПРУЖИНА (ДЛЯ РЕЗИН. SHOE) ХОДОВАЯ

Схема запчастей Komatsu PC45-1 - ПРУЖИНА (ДЛЯ РЕЗИН. SHOE) ХОДОВАЯ
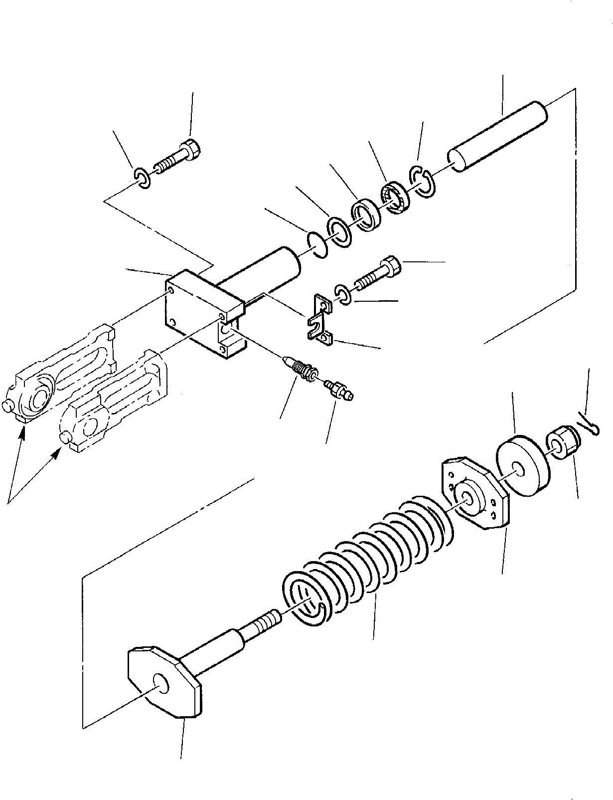
7
A
17
6
18
5
4
3
2
17
1
18
16
13
11
14
15
12
10
9
8
FIT
1:1
100%

Артикул

Название

Примечание

Количество

1

200514055

CYLINDER

2

855661403

O-RING

3

855080824

RING, WEAR

4

500256358

SPACER

5

855661153

GASKET

6

802250552

RING, SNAP

7

500327259

PISTON

8

3F4527050

PISTON ROD

9

3K4027600

SPRING

10

3F4527602

PLATE

11

3F4527603

SPACER

11

3F4527606

SPACER

12

3F4527604

NUT

13

802610104

PIN, COTTER

14

3F1027051

VALVE

15

860010009

FITTING

16

500158818

PLATE

17

801015577

BOLT

18

802150512

SPRING WASHER

Выбрано товаров: 19