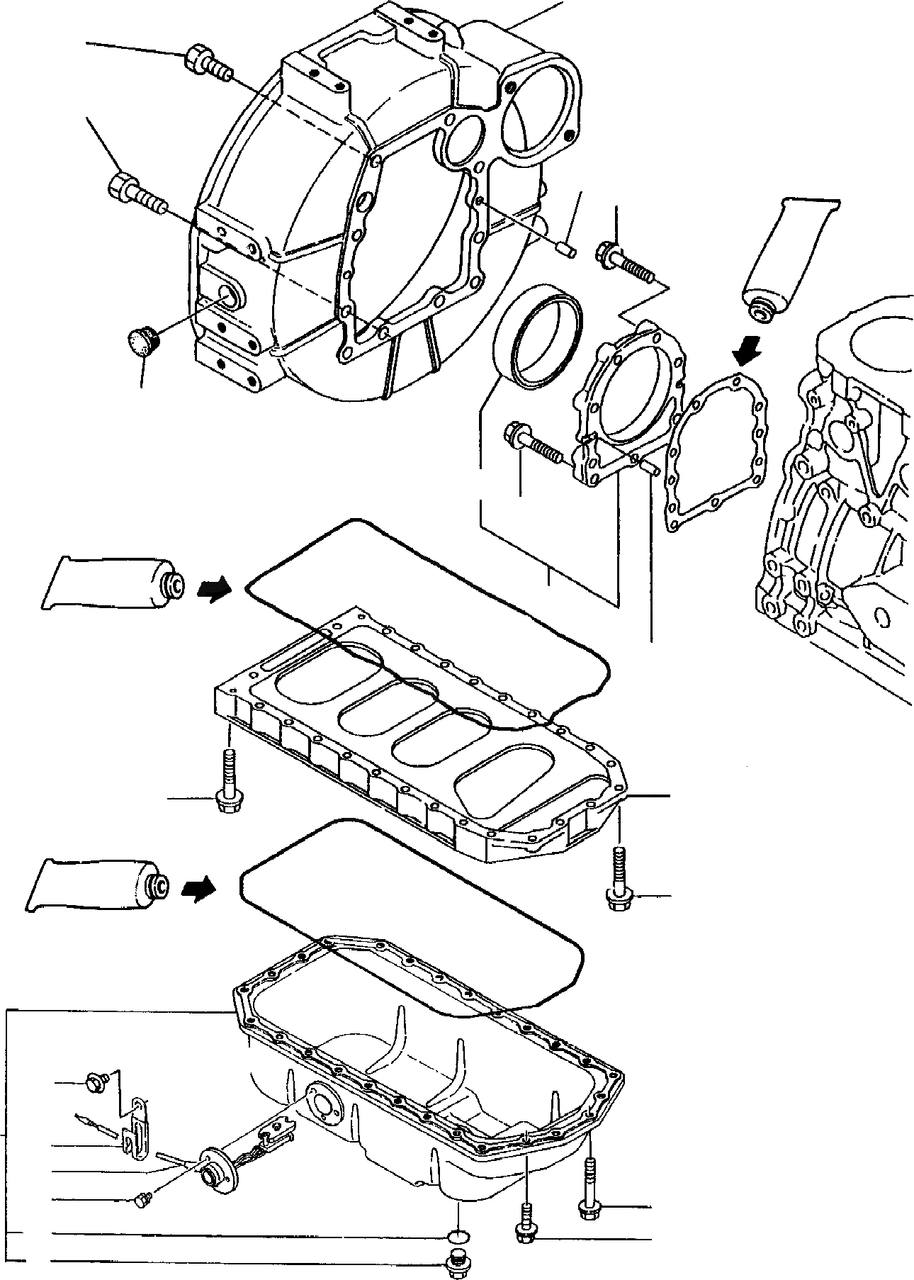
Запчасти Komatsu PC45-1 МАХОВИК - СИСТЕМА СМАЗКИ МАСЛ. НАСОС ДВИГАТЕЛЬ

Схема запчастей Komatsu PC45-1 - МАХОВИК - СИСТЕМА СМАЗКИ МАСЛ. НАСОС ДВИГАТЕЛЬ
2
3
4
1
18
5
17
19
15
14
10
13
12
21
6
20
22
23
13
9
11
7
FIT
1:1
100%

Артикул

Название

Примечание

Количество

1

YMR000097

PARALLEL PIN

2

YMR000342

HOUSING, FLYWHEEL

3

YMR000419

BOLT PLATED

4

YMR000420

SCREW

5

YMR000019

PLUG

6

YMR001093

LUBRICATING OIL SUMP, ASSY.

7

YMR000946

PLUG (EXCEPT TBG)

7

3F1001600

PLUG (ONLY FOR TBG)

9

YMR000947

GASKET

10

YMR000533

SPACER

11

YMR000402

BOLT PLATED

12

YMR000404

SCREW

13

YMR000407

SCREW

14

YMR000097

PARALLEL PIN

15

YMR000459

OIL SEAL CASE, ASSY.

17

YMR000294

GASKET

18

YMR000405

SCREW

19

YMR000406

SCREW

20

YMR000568

CLAMP

21

YMR000651

BOLT, CLAMP

22

YMR000648

OIL LEVEL TRANSMITTER

23

YMR000649

BOLT PLATED

Выбрано товаров: 22