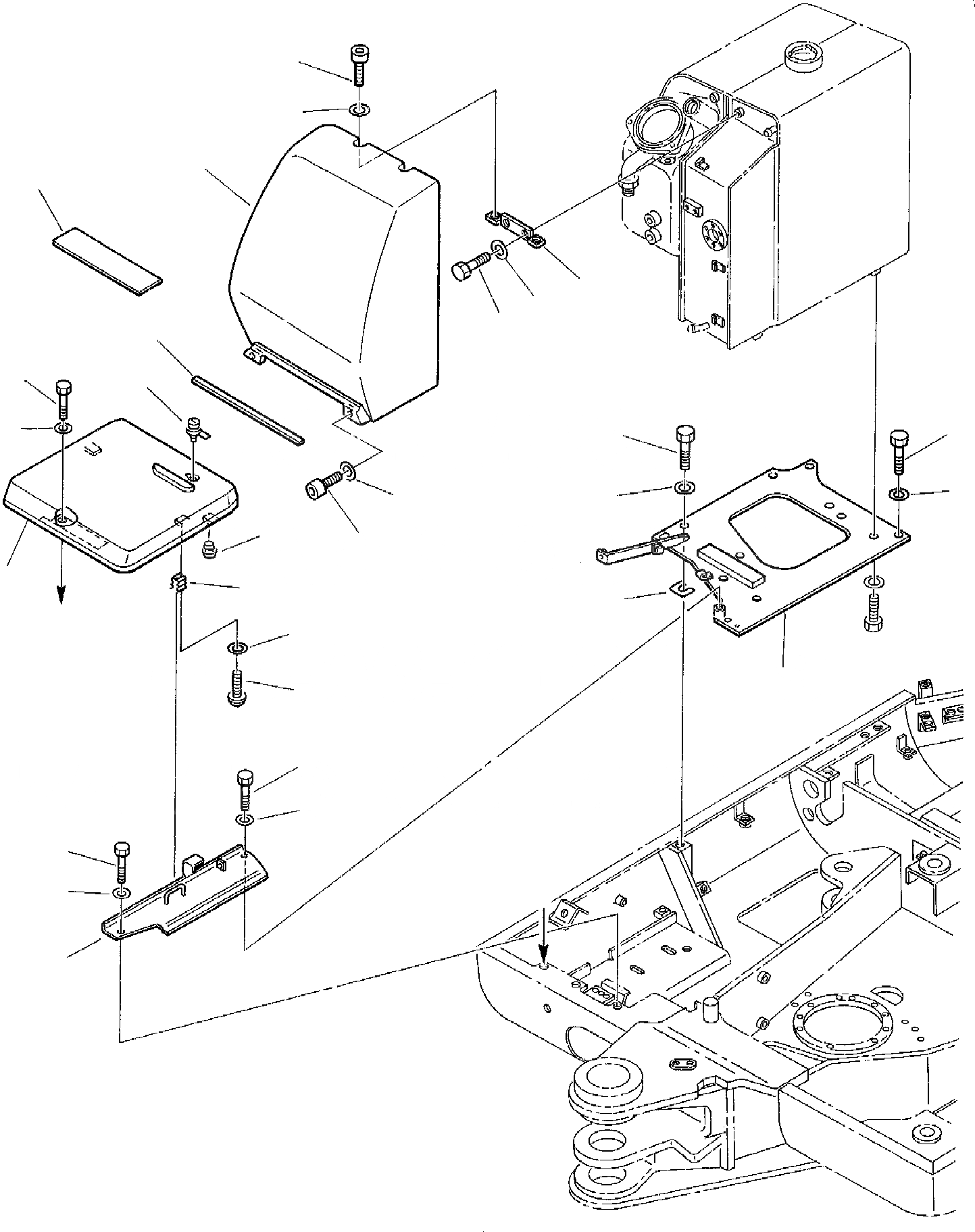
Запчасти Komatsu PC45-1 КРЫШКА АККУМУЛЯТОРА И БАК COVER ЧАСТИ КОРПУСА И КАБИНА

Схема запчастей Komatsu PC45-1 - КРЫШКА АККУМУЛЯТОРА И БАК COVER ЧАСТИ КОРПУСА И КАБИНА
24
a
a
21
22
20
23
17
19
18
13
16
14
2
3
4
4
22
15
21
12
9
5
11
1
10
7
8
7
8
6
FIT
1:1
100%

Артикул

Название

Примечание

Количество

1

3F3054053

SUPPORT, TANK

2

801015135

BOLT

3

801015136

BOLT

4

802170003

WASHER

5

500256355

SHIM

6

3F3035052

SUPPORT

7

801015108

BOLT

8

802170002

WASHER

9

3F1042600

SPRING

10

801250027

SCREW

11

802070004

WASHER

12

3F3042051

COVER, BATTERY

13

801015108

BOLT

14

802170002

WASHER

15

3F1042612

RUBBER

16

816212952

LOCK, ASSY.

17

3F3054054

SUPPORT

18

801015108

BOLT

19

802170002

WASHER

20

3F3054616

COVER, TANK

20

3F3054618

COVER, TANK

21

801104100

SCREW

22

802170001

WASHER

23

816218195

ANTISLIP

24

3F3054617

GASKET

Выбрано товаров: 25