Запчасти Komatsu PC450-6K-J КОНДИЦ. ВОЗДУХА (БЛОК)(№-) КАБИНА ОПЕРАТОРА И СИСТЕМА УПРАВЛЕНИЯ

Схема запчастей Komatsu PC450-6K-J - КОНДИЦ. ВОЗДУХА (БЛОК)(№-) КАБИНА ОПЕРАТОРА И СИСТЕМА УПРАВЛЕНИЯ
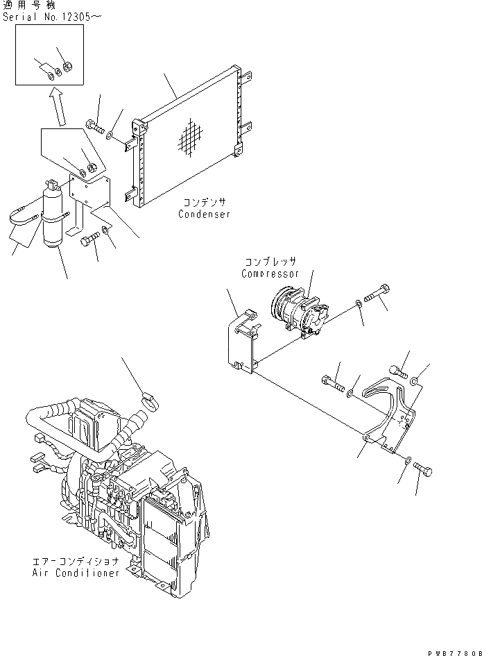
1
2
3
4
5
6
7
8
8
9
9
10
11
12
13
14
15
16
17
18
19
20
21
22
FIT
1:1
100%

Артикул

Название

Примечание

Количество

1

07281-00419

CLAMP

2

203-979-6820

CONDENSER ASS'Y

3

203-979-6611

RECEIVER DRYER

|3

203-979-6610

RECEIVER DRYER

4

208-979-6221

BRACKET

5

01010-81025

BOLT

6

01643-31032

WASHER

7

07283-27060

CLIP

8

01599-01011

NUT

9

01643-31032

WASHER

|9

01643-31032

WASHER

10

01010-81025

BOLT

11

01643-31032

WASHER

12

203-979-6831

COMPRESSOR ASS'Y

|12

203-979-6830

COMPRESSOR ASS'Y

13

208-979-6311

BRACKET

14

01010-81035

BOLT

15

01643-31032

WASHER

16

01010-81060

BOLT

17

01643-51032

WASHER

18

208-979-6340

BRACKET

19

01010-80895

BOLT

20

01643-30823

WASHER

21

01010-81435

BOLT

22

01643-31445

WASHER

Выбрано товаров: 25